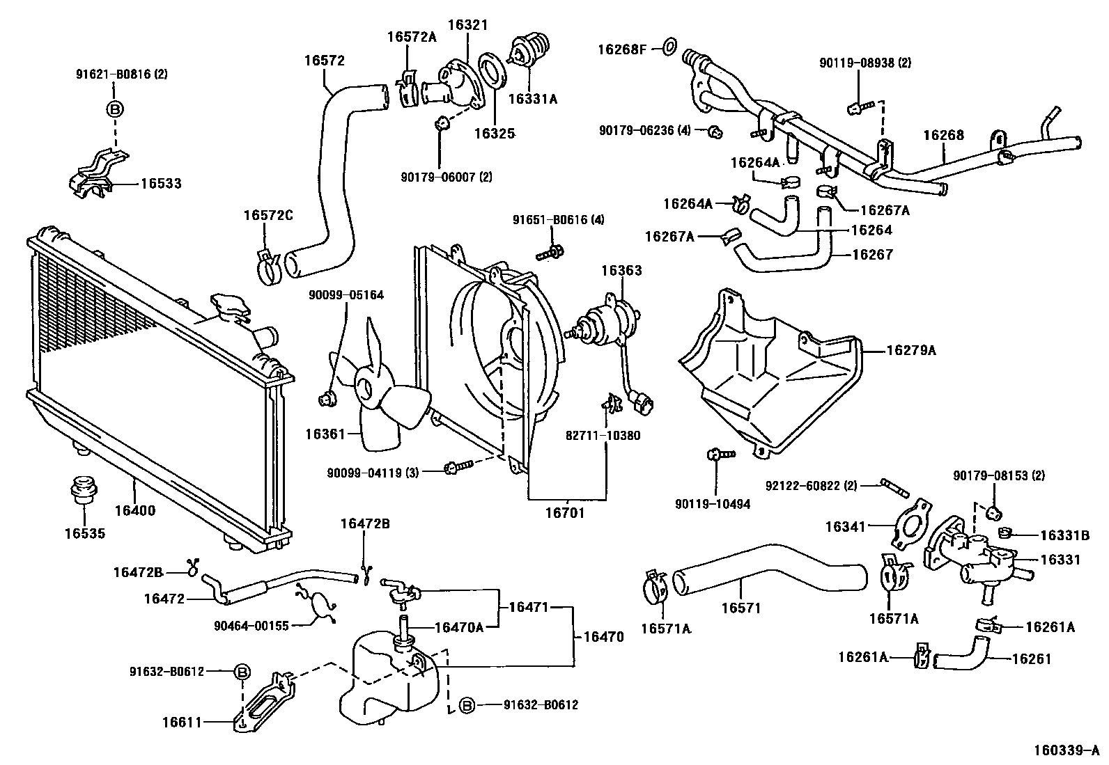
RADIATOR & WATER OUTLET

16261ACLAMP OR CLIP, HOSE(FOR WATER BY-PASS HOSE)
sub90467-21010
16264HOSE, WATER BY-PASS, NO.2
16264ACLAMP OR CLIP(FOR WATER BY-PASS HOSE NO.2)
sub96134-41900
16267HOSE, WATER BY-PASS, NO.3
16267ACLAMP OR CLIP(FOR WATER BY-PASS HOSE NO.3)
sub96134-41900
16268PIPE, WATER BY-PASS, NO.1
16268FRING, O(FOR WATER BY-PASS PIPE)
16279APROTECTOR, HOSE HEAT
16321INLET, WATER
16325GASKET, WATER INLET HOUSING, NO.1
16331OUTLET, WATER
TYPE B:REFER TO ILLUSTRATION
TYPE A:REFER TO ILLUSTRATION
16331ATHERMOSTAT
*WAX 82-95
*WAX 82-95
16331BPLUG(FOR WATER OUTLET)
16341GASKET, WATER OUTLET
16361FAN
16363MOTOR, COOLING FAN
16470TANK ASSY, RADIATOR RESERVE
16470AHOSE OR PIPE(FOR RADIATOR RESERVE TANK)
*H,L=180
16471CAP SUB-ASSY, RESERVE TANK
16472HOSE, BREATHER
16472BCLIP(FOR BREATHER HOSE)
16533SUPPORT, RADIATOR, UPPER
16571ACLAMP OR CLIP, HOSE(FOR RADIATOR INLET)
sub90467-34004
16572HOSE, RADIATOR, OUTLET
16572ACLAMP OR CLIP, HOSE(FOR RADIATOR OUTLET NO.1)
sub90467-34004
16572CCLAMP OR CLIP, HOSE(FOR RADIATOR OUTLET NO.2)
16611BRACKET, RADIATOR RESERVE TANK
16701SHROUD SUB-ASSY, FAN
8271110380WIRE, FUSE TO FUSE(FOR COMBUSTION HEATER)
main82711-10380
9009904119
main90099-04119
9009905164
main90099-05164
9011908938
main90119-08938
9011910494
main90119-10494
9017906007
main90179-06007
9017906236
main90179-06236
9017908153
main90179-08153
9046400155
main90464-00155
91621B0816
main91621-B0816
91632B0612
main91632-B0612
91651B0616
main91651-B0616
9212260822
main92122-60822
45 parts on this diagram · 4 diagrams in section