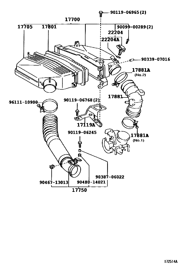
AIR CLEANER

17119ABRACKET, AIR CLEANER
17705CAP SUB-ASSY, AIR CLEANER
17750COVER ASSY, AIR CLEANER INLET, SEAL
17881HOSE, AIR CLEANER, NO.1
17881ACLAMP(FOR AIR CLEANER HOSE, NO.1)
NO.2
NO.1
NO.1
NO.2
22204METER SUB-ASSY, INTAKE AIR FLOW
22204ARING, O(FOR INTAKE AIR FLOW METER)
9009900289
main90099-00289
9011906245
main90119-06245
9011906768
main90119-06768
9011906965
main90119-06965
9033907016
main90339-07016
9038706022
main90387-06022
9046713013
main90467-13013
9048014021
main90480-14021
9611110900
main96111-10900
18 parts on this diagram · 3 diagrams in section