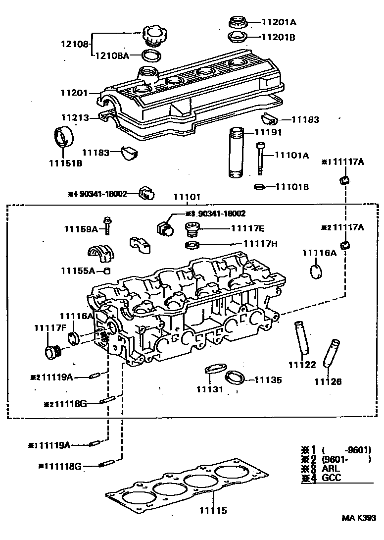
CYLINDER HEAD

11101ABOLT(FOR CYLINDER HEAD SET)
11101BWASHER, PLATE(FOR CYLINDER HEAD SET)
11115GASKET, CYLINDER HEAD
T=1.25
11116APLUG, TIGHT, NO.1
11117APLUG, W/HEAD TAPER SCREW, NO.1
11117EPLUG, W/HEAD STRAIGHT SCREW, NO.1
11117FPLUG, W/HEAD STRAIGHT SCREW, NO.2
11117HGASKET(FOR WATER HOLE)
11118GPIN, SLOTTED SPRING, NO.1
11119APIN, STRAIGHT, NO.1
L=14,OD=6
11122BUSH, INTAKE VALVE GUIDE
STD
O/S 0.05
11126BUSH, EXHAUST VALVE GUIDE
O/S 0.05
11131SEAT, INTAKE VALVE
STD
STD
O/S 0.03
O/S 0.03
11135SEAT, EXHAUST VALVE
STD
STD
O/S 0.03
O/S 0.03
11155APIN, RING W/HEAD
11159ABOLT(FOR HEAD TO CAMSHAFT BEARING CAP)
11183PLUG, SEMICIRCULAR
11191TUBE, SPARK PLUG
11201ANUT, CAP(FOR CYLINDER HEAD COVER)
11201BWASHER, SEAL(FOR CYLINDER HEAD COVER)
11213GASKET, CYLINDER HEAD COVER
12108CAP SUB-ASSY, OIL FILLER
12108AGASKET(FOR OIL FILLER CAP)
9034118002
main90341-18002
27 parts on this diagram · 3 diagrams in section