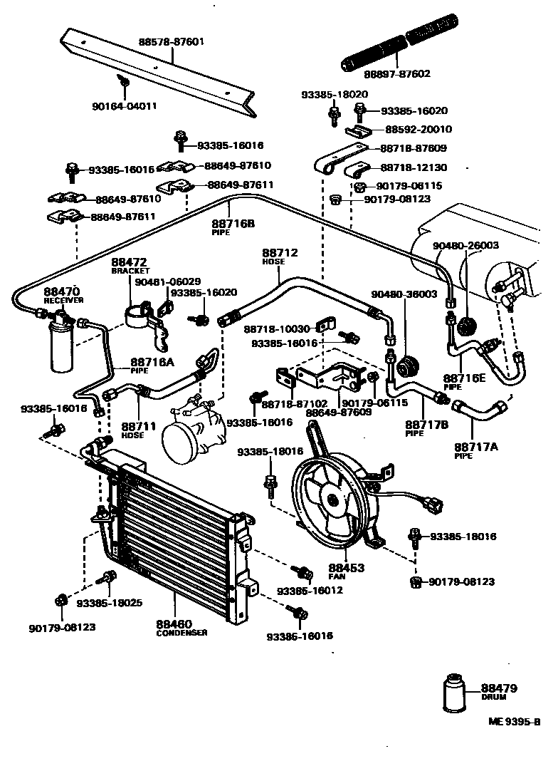
HEATING & AIR CONDITIONING - COOLER PIPING

88453FAN, COOLING (FOR CONDENSER)
88460CONDENSER ASSY, COOLER
88470RECEIVER & DRYER ASSY, COOLER
88472BRACKET, RECEIVER TANK, NO.1
88479FREON GAS, AIR CONDITIONER (DRUM, COOLER REFRIGERANT)
88711HOSE, COOLER REFRIGERANT DISCHARGE, NO.1
88712HOSE, COOLER REFRIGERANT SUCTION, NO.1
88716APIPE, COOLER REFRIGERANT LIQUID, A
88716BPIPE, COOLER REFRIGERANT LIQUID, B
88716EPIPE, COOLER REFRIGERANT LIQUID, E
88717APIPE, COOLER REFRIGERANT SUCTION, A
88717BPIPE, COOLER REFRIGERANT SUCTION, B
8857887601PAKING, COOLER AIR DUCT
main88578-87601
8859220010RETAINER (FOR COOLER UNIT BRACKET)
main88592-20010
8864987609WIRING, COOLER, NO.2
main88649-87609
8864987610WIRING, COOLER, NO.2
main88649-87610
8864987611WIRING, COOLER, NO.2
main88649-87611
8871810030PIPE, COOLER REFRIGERANT SUCTION, NO.2
main88718-10030
8871812130PIPE, COOLER REFRIGERANT SUCTION, NO.2
main88718-12130
8871887102PIPE, COOLER REFRIGERANT SUCTION, NO.2
main88718-87102
8871887609PIPE, COOLER REFRIGERANT SUCTION, NO.2
main88718-87609
8889787602VALVE, COOLER MAGNET
main88897-87602
9016404011
main90164-04011
9017906115
9017908123
9046106029
9048026003
main90480-26003
9048036003
main90480-36003
9338516012
9338516016
9338516020
9338518016
9338518020
main93385-18020
9338518025
main93385-18025
34 parts on this diagram · 1 diagram in section