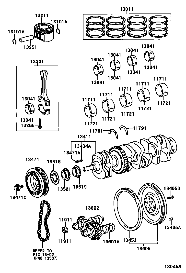
CRANKSHAFT & PISTON

11711BEARING, CRANKSHAFT
REFER TO REPAIR MANUAL,MARK 1,MARK 1
REFER TO REPAIR MANUAL,MARK 2,MARK 2
REFER TO REPAIR MANUAL,MARK 3,MARK 3
REFER TO REPAIR MANUAL,MARK 4,MARK 4
REFER TO REPAIR MANUAL,MARK 5,MARK 5
REFER TO REPAIR MANUAL,MARK A
REFER TO REPAIR MANUAL,MARK B
REFER TO REPAIR MANUAL,MARK1,MARK 1
REFER TO REPAIR MANUAL,MARK2,MARK 2
REFER TO REPAIR MANUAL,MARK3,MARK 3
REFER TO REPAIR MANUAL,MARK4,MARK 4
REFER TO REPAIR MANUAL,MARK5,MARK 5
REFER TO REPAIR MANUAL,MARK A
REFER TO REPAIR MANUAL,MARK B
MARK 1,REFER REPAIR MANUAL
MARK 2,REFER REPAIR MANUAL
MARK 3,REFER REPAIR MANUAL
MARK 4,REFER REPAIR MANUAL
11721BEARING, CRANKSHAFT, NO.2
MARK 1,REFER REPAIR MANUAL
MARK 2,REFER REPAIR MANUAL
MARK 3,REFER REPAIR MANUAL
MARK 4,REFER REPAIR MANUAL
11791WASHER, CRANKSHAFT THRUST, UPPER
STD
11911BEARING, BALANCESHAFT, NO.1
13011RING SET, PISTON
STD
STD
STD
STD
1302
13041BEARING, CONNECTING ROD
REFER TO REPAIR MANUAL,MARK 1,MARK 1
REFER TO REPAIR MANUAL,MARK 2,MARK 2
REFER TO REPAIR MANUAL,MARK 3,MARK 3
REFER TO REPAIR MANUAL,MARK 4,MARK 4
REFER TO REPAIR MANUAL,MARK 5,MARK 5
MARK 2,REFER REPAIR MANUAL
sub13281-28011
13101PISTON SUB-ASSY, W/PIN
STD,REFER TO REPAIR MANUAL,MARK A,MARK A
STD,REFER TO REPAIR MANUAL,MARK B,MARK B
STD,REFER TO REPAIR MANUAL,MARK C,MARK C
13101ARING, HOLE SNAP(FOR PISTON PIN)
13201ROD SUB-ASSY, CONNECTING
MARK A,MARK A
MARK B
MARK C
MARK A,REFER REPAIR MANUAL
MARK B,REFER REPAIR MANUAL
MARK C,REFER REPAIR MANUAL
13211PISTON
MARK A,REFER REPAIR MANUAL
MARK B,REFER REPAIR MANUAL
MARK C,REFER REPAIR MANUAL
MARK A,REFER REPAIR MANUAL
MARK B,REFER REPAIR MANUAL
MARK C,REFER REPAIR MANUAL
13251PIN, PISTON
13405FLYWHEEL SUB-ASSY
13405APIN, STRAIGHT(FOR FLYWHEEL)
L=23,OD=8
13405BBOLT, FLYWHEEL SETTING
13411CRANKSHAFT
(L)
(J)
13434AKEY(FOR OIL PUMP DRIVE SPLINE)
13453GEAR, FLYWHEEL RING
13471PULLEY, CRANKSHAFT
13471AKEY, CRANKSHAFT(FOR CRANKSHAFT PULLEY SET)
13471CBOLT(FOR CRANKSHAFT PULLEY SET)
13519GEAR, OIL PUMP DRIVE
13521GEAR OR SPROCKET, CRANKSHAFT TIMING
13602BALANCESHAFT SUB-ASSY, NO.2
19315PLATE, CRANK ANGLE SENSOR, NO.1
27 parts on this diagram · 2 diagrams in section