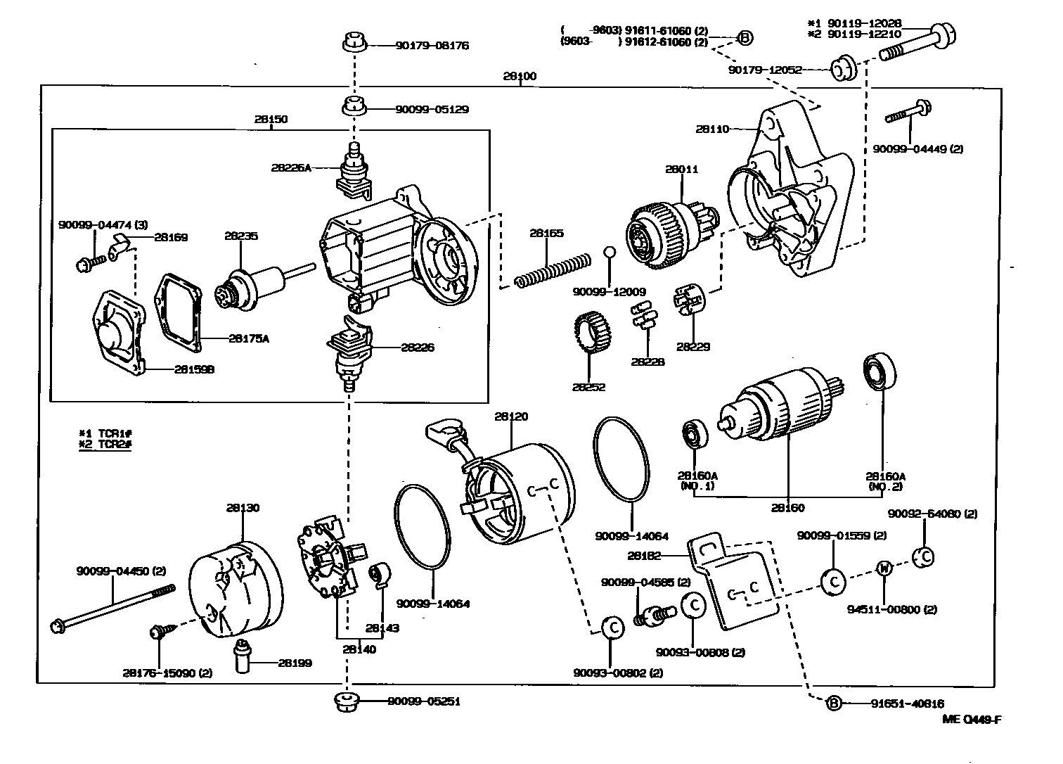
STARTER

28011CLUTCH SUB-ASSY, STARTER
COLD SPEC
28100STARTER ASSY
12V 1.2KW
12V 1.6KW
12V 1.6KW,COLD SPEC
28110HOUSING ASSY, STARTER DRIVE
COLD SPEC
28130FRAME ASSY, STARTER COMMUTATOR END
COLD SPEC
28140HOLDER ASSY, STARTER BRUSH
COLD SPEC
28143SPRING, STARTER BRUSH
COLD SPEC
28159BCOVER, MAGNET SWITCH
COLD SPEC
28160ARMATURE ASSY, STARTER
COLD SPEC
28160ABEARING, STARTER ARMATURE
NO.2
COLD SPEC,NO.2
COLD SPEC,NO.1
NO.1
NO.1
NO.2
COLD SPEC
28165SPRING, STARTER MAGNET SWITCH RETURN
COLD SPEC
28169CLAMP, STARTER MOTOR LEAD WIRE
COLD SPEC
28175AGASKET, MAGNET SWITCH COVER
COLD SPEC
28182STAY, STARTER COMMUTATOR END FRAME
COLD SPEC
28199COVER, STARTER
COLD SPEC
28226ASTARTER KIT, MOTOR TERMINAL
COLD SPEC
28228ROLLER, STARTER IDLE GEAR CLUTCH
28229RETAINER, STARTER IDLE GEAR
COLD SPEC
28235PLUNGER, MAGNET SWITCH
COLD SPEC
28252GEAR, STARTER IDLE
COLD SPEC
2817615090SCREW, STARTER
main28176-15090
9009264080
main90092-64080
9009300802
main90093-00802
9009300808
main90093-00808
9009901559
main90099-01559
9009904449
main90099-04449
9009904450
main90099-04450
9009904474
main90099-04474
9009904585
main90099-04585
9009905129
main90099-05129
9009905251
main90099-05251
9009912009
main90099-12009
9009914064
main90099-14064
9011912028
main90119-12028
9011912210
main90119-12210
9017908176
main90179-08176
9017912052
main90179-12052
9161161060
main91611-61060
9161261060
main91612-61060
9165140816
main91651-40816
9451100800
main94511-00800
43 parts on this diagram · 2 diagrams in section