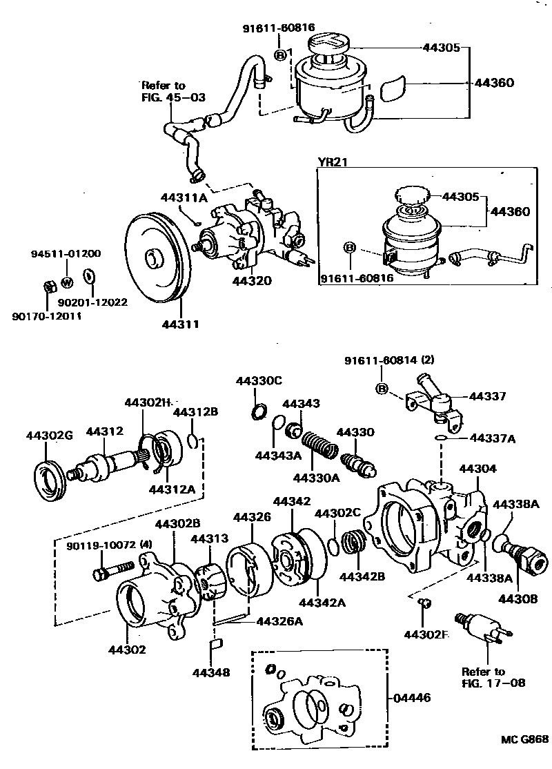
VANE PUMP & RESERVOIR (POWER STEERING)

04446GASKET KIT, POWER STEERING PUMP
sub04446-14040
1708
44302HOUSING SUB-ASSY, VANE PUMP, FRONT
44302BRING, O, NO.1(FOR VANE PUMP HOUSING)
44302CRING, O, NO.2(FOR VANE PUMP HOUSING)
44302FSEAT, UNION(FOR VANE PUMP HOUSING)
44302GSEAL, OIL, NO.2(FOR VANE PUMP HOUSING)
44302HRING, SNAP, NO.1(FOR VANE PUMP HOUSING)
44304HOUSING SUB-ASSY, VANE PUMP, REAR
44308UNION SUB-ASSY, PRESSURE PORT
44311PULLEY, VANE PUMP
44311AKEY, VANE PUMP PULLEY
44312SHAFT, VANE PUMP
44312ABEARING(FOR VANE PUMP SHAFT)
44312BRING, SNAP, NO.1(FOR VANE PUMP SHAFT)
sub90520-15005
44313ROTOR, VANE PUMP
NO MARK
MARK 1
MARK 2
MARK 3
MARK 4
44326RING, CAM(FOR VANE PUMP)
NO MARK
MARK 1
MARK 2
MARK 3
MARK 4
44326APIN, STRAIGHT(FOR VANE PUMP CAM RING)
L=25,OD=5.0
44330VALVE ASSY, FLOW CONTROL
44330ASPRING, COMPRESSION(FOR FLOW CONTROL VALVE)
44330CRING, SNAP(FOR FLOW CONTROL VALVE)
44337UNION, POWER STEERING SUCTION PORT
44337ARING, O(FOR POWER STEERING SUCTION PORT)
44338ARING, O(FOR PRESSURE PORT UNION)
OD=25.5,ID=22.5,OD=25.5,ID=22.5
OD=17.0,ID=13.0,OD=17,ID=13
44342PLATE, VANE PUMP SIDE, REAR
44342ARING, O(FOR VANE PUMP SIDE PLATE REAR)
44342BSPRING, COMPRESSION(FOR VANE PUMP SIDE PLATE REAR)
44343SEAT, FLOW CONTROL SPRING
44343ARING, O(FOR FLOW CONTROL SPRING SEAT)
44348PLATE, VANE PUMP
L=14.997,ROTO NO MARK
L=14.995,ROTO MARK 1
L=14.993,ROTO MARK 2
L=14.991,ROTO MARK 3
L=14.989,ROTO MARK 4
44360RESERVOIR ASSY, VANE PUMP OIL
4503
9011910072
main90119-10072
9017012011
main90170-12011
9020112022
main90201-12022
9161160814
main91611-60814
9161160816
main91611-60816
9451101200
main94511-01200
40 parts on this diagram · 1 diagram in section