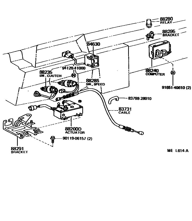
CRUISE CONTROL (AUTO DRIVE)

83731CABLE, CRUISE CONTROL
84630SWITCH ASSY, CRUISE CONTROL MAIN
88235SWITCH ASSY, CRUISE CONTROL(AUTO DRIVE) RELEASE
88280RELAY ASSY, CRUISE CONTROL(AUTO DRIVE), B
88285SWITCH, CRUISE CONTROL
sub84340-24010
88291BRACKET, CRUISE CONTROL(AUTO DRIVE), NO.1
88295BRACKET, CRUISE CONTROL(AUTO DRIVE) RELAY
8379828010KEY, SPEEDOMETER CABLE ADAPTER
main83798-28010
9011906157
main90119-06157
9165140610
main91651-40610
9412041000
main94120-41000
13 parts on this diagram · 1 diagram in section