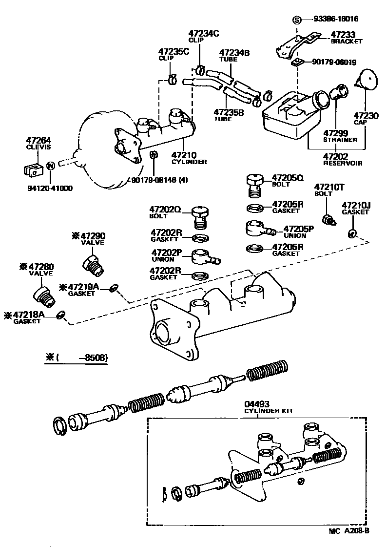
BRAKE MASTER CYLINDER

04493CYLINDER KIT, BRAKE MASTER
47202RESERVOIR SUB-ASSY, BRAKE MASTER CYLINDER
47202PUNION, RESERVOIR(FOR BRAKE MASTER CYLINDER SIDE)
47202QBOLT, RESERVOIR UNION(FOR BRAKE MASTER CYLINDER SIDE)
47202RGASKET, RESERVOIR UNION(FOR BRAKE MASTER CYLINDER SIDE)
47205PUNION, RESERVOIR(FOR BRAKE MASTER CYLINDER REAR SIDE)
47205QBOLT, RSVR UNION, NO.2(FOR BRAKE MASTER CYLINDER RR SIDE)
47205RGASKET, RESERVOIR UNION(FOR BRAKE MASTER CYLINDER REAR SIDE)
47210CYLINDER ASSY, MASTER, W/O BOOSTER
47210JGASKET(FOR MASTER CYLINDER)
47210TBOLT(FOR BRAKE MASTER CYLINDER)
47218AGASKET(FOR FLUID OUTLET PLUG)
47219AGASKET(FOR FLUID OUTLET PLUG REAR SIDE)
47230CAP ASSY, BRAKE MASTER CYLINDER RESERVOIR FILLER
47235BTUBE, BRAKE MASTER CYRINDER RESERVOIR, NO.2
47264CLEVIS, MASTER CYLINDER PUSH ROD
47280VALVE ASSY, BRAKE MASTER CYLINDER OUTLET CHECK
47290VALVE ASSY, MASTER CYLINDER OUTLET(FOR REAR SIDE)
47299STRAINER, BRAKE MASTER CYLINDER RESERVOIR
9017906019
main90179-06019
9017908146
main90179-08146
9338616016
main93386-16016
9412041000
main94120-41000
27 parts on this diagram · 1 diagram in section