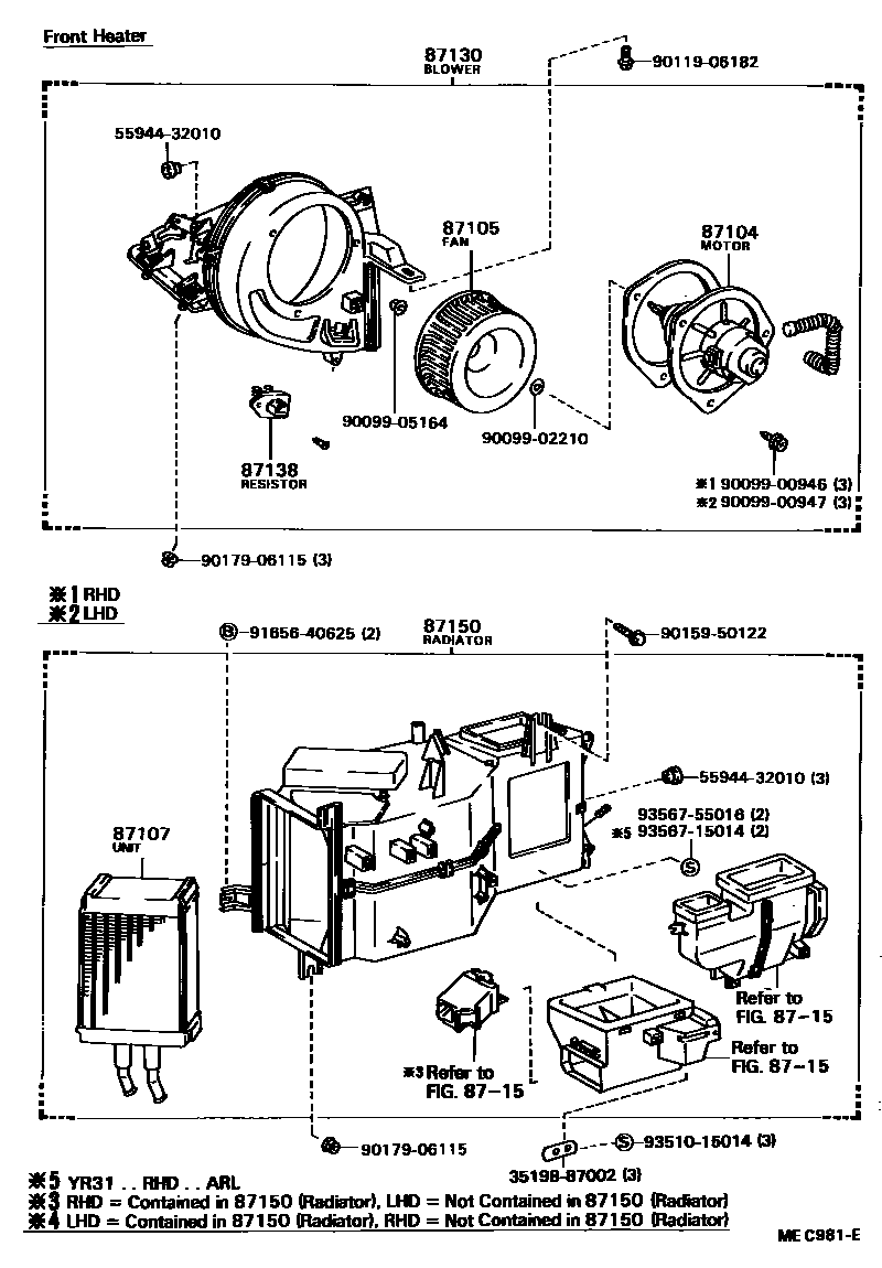
HEATING & AIR CONDITIONING - HEATER UNIT & BLOWER

87104MOTOR SUB-ASSY, HEATER BLOWER
87105FAN SUB-ASSY, HEATER BLOWER
87130BLOWER ASSY, HEATER, FRONT
87138RESISTOR, HEATER BLOWER
8715
3519887002CLAMP, TRANSAXLE APPLY TUBE, NO.4
main35198-87002
5594432010PLATE, HEATER CONTROL SUPPORT
main55944-32010
9009900946
main90099-00946
9009900947
main90099-00947
9009902210
main90099-02210
9009905164
main90099-05164
9011906182
main90119-06182
9015950122
main90159-50122
9017906115
main90179-06115
9165640625
main91656-40625
9351015014
main93510-15014
9356715014
main93567-15014
9356755016
main93567-55016
20 parts on this diagram · 3 diagrams in section