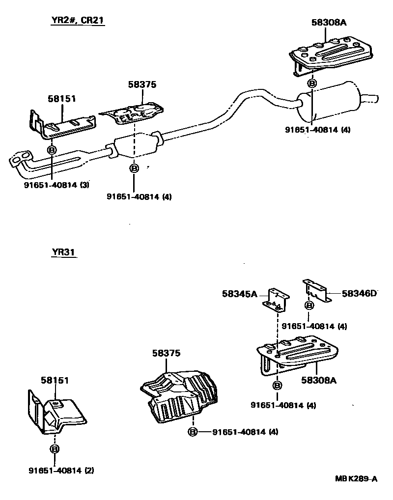
FLOOR INSULATOR

58308APANEL SUB-ASSY, HEAT PROOF
58345ABRACKET, REAR FLOOR HEAT INSULATOR, NO.1
58346DBRACKET, REAR FLOOR HEAT INSULATOR, NO.2
58375INSULATOR, REAR FLOOR HEAT, NO.1
9165140814
main91651-40814
6 parts on this diagram · 1 diagram in section