E
EPC Data

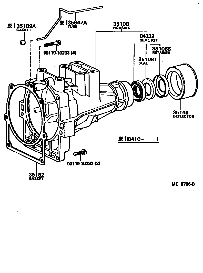
EXTENSION HOUSING (ATM)

Parts diagram
04332SEAL KIT, OIL(FOR AUTOMATIC EXTENSION HOUSING)
main04332-30020i¥740198211-198808
sub04332-30030¥730
35108HOUSING SUB-ASSY, EXTENSION (ATM)
main35108-26011i¥31,900198211-198410
sub35108-26012¥35,400
main35108-26012i¥35,400198410-198703
main35108-26013i¥27,300198703-198808
sub35108-26014¥28,000
35108SRETAINER, EXTENSION HOUSING DUST SEAL (ATM)
main33145-30010i¥190198211-198808
35108TSEAL, DUST (FOR AUTOMATIC TRANSMISSION EXTENSION HOUSING)
main90303-38010i¥140198211-198808
35146DEFLECTOR, EXTENSION HOUSING DUST (ATM)
main33146-30010i¥1,680198211-198808
sub33146-30020¥990
35182GASKET, EXTENSION HOUSING (ATM)
main35182-22010i¥780198211-198808
sub35182-28010¥520
35189AGASKET, EXTENSION HOUSING BUSH APPLY TUBE
main35189-30010i¥500198410-198808
35847ATUBE, EXTENSION HOUSING BUSH APPLY
main35847-30020i¥460198410-198808
9011910232
main90119-10232¥110
9011910233
main90119-10233¥160

10 parts on this diagram · 2 diagrams in section

EXTENSION HOUSING (ATM) — Toyota Parts Diagram with OEM Numbers & Prices | EPC Data