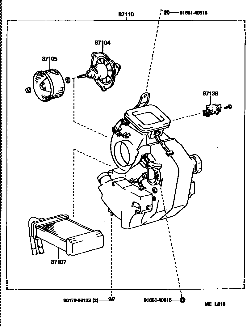
HEATING & AIR CONDITIONING - HEATER UNIT & BLOWER

87104MOTOR SUB-ASSY, HEATER BLOWER
HEAVY HEATER
HEAVY HEATER OR W(AIR CONDITIONER---FACTORY OPT)
87105FAN SUB-ASSY, HEATER BLOWER
87107UNIT SUB-ASSY, HEATER RADIATOR
HEAVY HEATER
HEAVY HEATER
87138RESISTOR, HEATER BLOWER
sub87138-27020
HEAVY HEATER OR W(AIR CONDITIONER---FACTORY OPT)
sub87138-27020
9017908123
main90179-08123
9165140816
main91651-40816
9166140616
main91661-40616
8 parts on this diagram · 3 diagrams in section