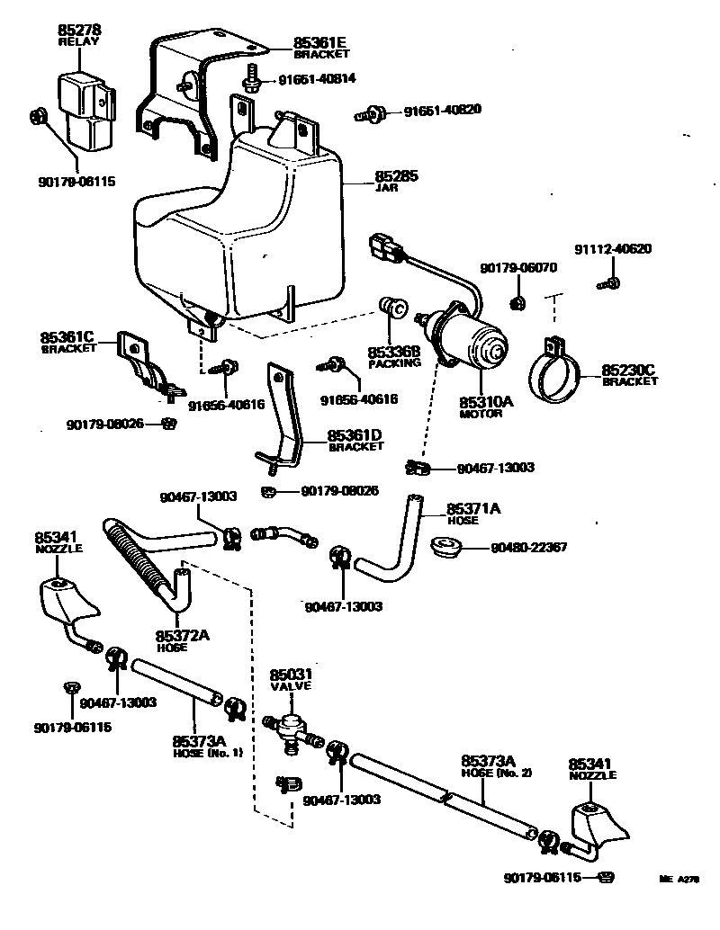
HEADLAMP CLEANER

85031VALVE, HEADLAMP CLEANER WASHER HOSE
85230CBRACKET ASSY, HEADLAMP CLEANER
85278RELAY ASSY, HEADLAMP CLEANER CONTROL
85285JAR, HEADLAMP CLEANER WASHER
85310AMOTOR AND PUMP ASSY, HEADLAMP CLEANER WASHER
85336BPACKING, HEADLAMP CLEANER WASHER
85341NOZZLE, HEADLAMP CLEANER WASHER
85361CBRACKET, WASHER
85361DBRACKET, HEADLAMP CLEANER, NO.2
85361EBRACKET, HEADLAMP CLEANER, NO.3
85371AHOSE, HEADLAMP CLEANER(FROM MOTOR TO JOINT)
L=135
85372AHOSE, HEADLAMP CLEANER (FROM JOINT TO JOINT OR NOZZLE)
85373AHOSE, HEADLAMP CLEANER WASHER (FROM JOINT TO NOZZLE)
9017906070
main90179-06070
9017906115
main90179-06115
9017908026
main90179-08026
9046713003
main90467-13003
9048022367
main90480-22367
9111240620
main91112-40620
9165140814
main91651-40814
9165140820
main91651-40820
9165640616
main91656-40616
22 parts on this diagram · 1 diagram in section