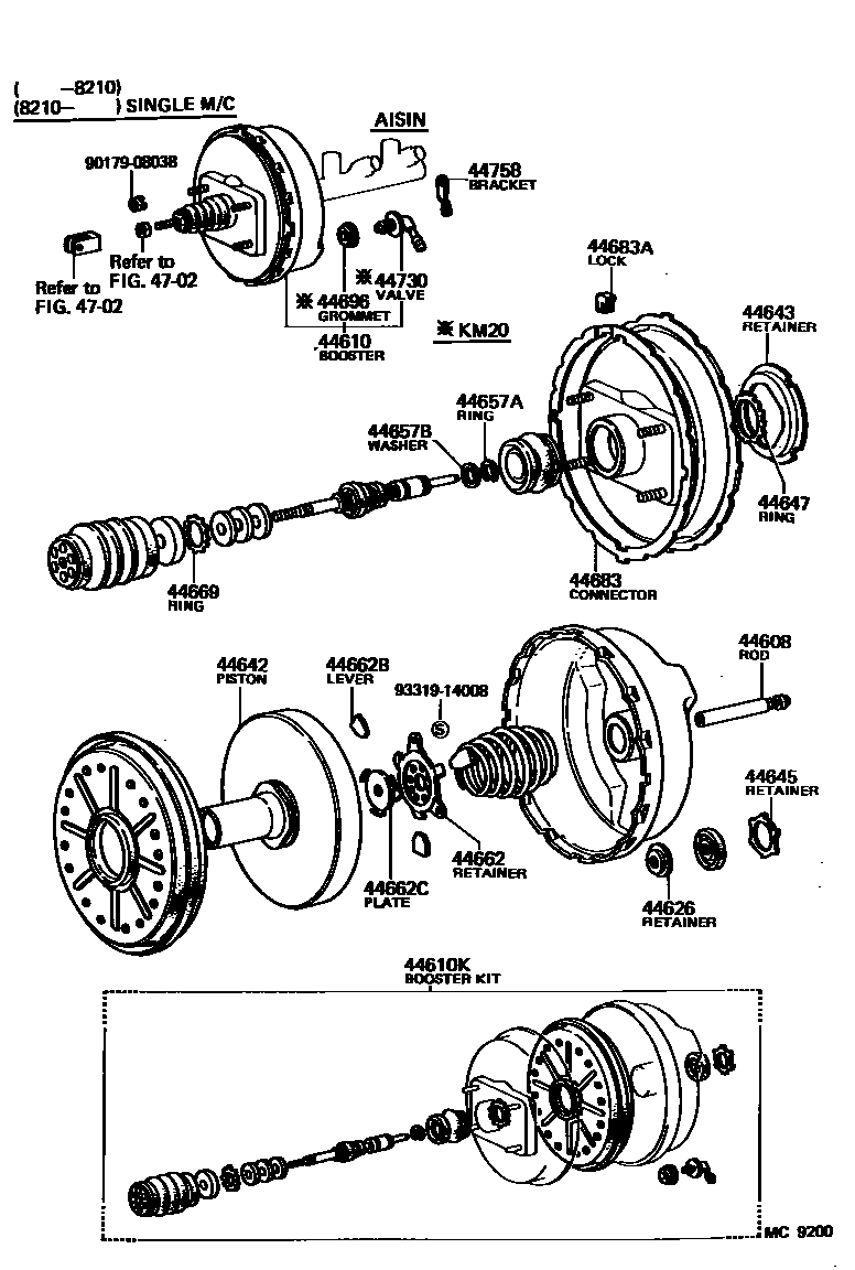
BRAKE BOOSTER & VACUUM TUBE

44608PUSH ROD SUB-ASSY, BOOSTER
TANDEM M/C
TANDEM M/C
SINGLE M/C
SINGLE M/C
TANDEM M/C
44610BOOSTER ASSY, BRAKE
7.5INCHES,FR DISK BRAKE
7.5INCHES,FR DISC BRAKE
main44610-27040iKM20..V..4F;KM20..LHD..VSP..4H..EUR;KM20..LHD..4H..(03S,05S,06S,09S)¥40,500197910-198210
7.5INCHES,FR DRUM BRAKE
7.5INCHES,FR DRUM BRAKE
6INCHES
6INCHES
7.5INCHES,FR DISC BRAKE
TANDEM M/C,FR DISC BRAKE
TANDEM M/C,FR DISC BRAKE
TANDEM M/C,FR DRUM BRAKE
TANDEM M/C,FR DRUM BRAKE
TANDEM M/C,FR DISC BRAKE
TANDEM M/C,FR DISC BRAKE
SINGLE M/C
SINGLE M/C
TANDEM M/C,FR DRUM BRAKE
TANDEM M/C,FR DRUM BRAKE
44610KBOOSTER KIT, BRAKE
7.5INCHES
7.5INCHES,FR DISC BRAKE
7.5INCHES,FR DRUM BRAKE
6INCHES
6INCHES
SINGLE M/C
7.5INCHES,FR DISC BRAKE
TANDEM M/C,FR DISC BRAKE
TANDEM M/C,FR DISC BRAKE
TANDEM M/C,FR DRUM BRAKE
TANDEM M/C,FR DRUM BRAKE
TANDEM M/C,FR DISC BRAKE
TANDEM M/C,FR DISC BRAKE
SINGLE M/C
TANDEM M/C,FR DRUM BRAKE
TANDEM M/C,FR DRUM BRAKE
44626RETAINER, BOOSTER ROD CUP
44642PISTON, BRAKE BOOSTER
7.5INCHES
6INCHES,SINGLE M/C
TANDEM M/C,FR DISC BRAKE
6INCHES,SINGLE M/C
7.5INCHES,FR DISC BRAKE
7.5INCHES,FR DRUM BRAKE
TANDEM M/C,FR DRUM BRAKE
7.5INCHES,FR DISC BRAKE
44643RETAINER, DIAPHRAGM
44645RETAINER, BOOSTER PUSH ROD SEAL
44647RING, CIRCULAR INTERNAL(FOR BOOSTER BODY SEAL STOPPER)
44657ARING, SNAP(FOR BOOSTER AIR VALVE STOPPER)
44657BWASHER, PLATE(FOR BOOSTER AIR VALVE STOPPER)
44662RETAINER, REACTION, NO.1
44662BLEVER, REACTION
44662CPLATE, REACTION, NO.1
7.5INCHES,FR DISC BRAKE
7.5INCHES,FR DRUM BRAKE
6INCHES
44669RING, CIRCULAR INTERNAL(FOR AIR CLEANER ELEMENT STOPPER)
44683CONNECTOR, BOOSTER BODY
6INCHES
7.5INCHES
44683ALOCK, CONNECTOR
44696GROMMET, CHECK VALVE
44730VALVE ASSY, VACUUM CHECK(FOR BRAKE)
44758BRACKET, VACUUM CHECK VALVE
7.5INCHES BOOSTER
6INCHES BOOSTER
7.5INCHES BOOSTER
8INCHES BOOSTER
4702
9017908038
9331914008
22 parts on this diagram · 8 diagrams in section