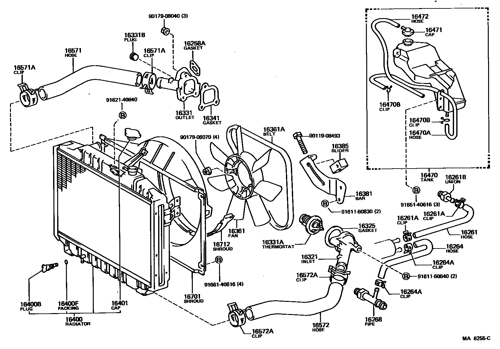
RADIATOR & WATER OUTLET

16258AGASKET(FOR HEATER RETURN)
16261HOSE, WATER BY-PASS
16261ACLAMP OR CLIP, HOSE(FOR WATER BY-PASS HOSE)
16261BUNION(FOR WATER BY-PASS HOSE)
16264HOSE, WATER BY-PASS, NO.2
16264ACLAMP OR CLIP(FOR WATER BY-PASS HOSE NO.2)
16268PIPE, WATER BY-PASS, NO.1
16325GASKET, WATER INLET HOUSING, NO.1
16331OUTLET, WATER
16331ATHERMOSTAT
*WAX 82-95,FUJI-THOMSON
*WAX 82-95,FUJI-THOMSON
COLD SPEC,*WAX 88-100
main90916-03036i4K..KM20..4F;4K..KM20..SRF..4H..EUR;4K..KM20..HRF..VSP..4H..EUR;4K..KM20..HRF..4H..(05S,07S)..EUR198002-198210
*WAX 82-95,FUJI-THOMSON
*WAX 82-95,KUZEH
*WAX 82-95,KUZEH
*WAX 88-100
*WAX 82-95,*WAX 82-95
*WAX 82-95,*WAX82-95
*WAX 82-95,*WAX 82-95
*WAX 88-100,*WAX 88-100
*WAX 82-95,*WAX82-95
16331BPLUG(FOR WATER OUTLET)
16341GASKET, WATER OUTLET
16361FAN
4 BLADES
CHINA SPEC
W/COOLER
16361ABELT, V(FOR FAN & ALTERNATOR)
W/COOLER
L=840
L=850
L=855
L=870
W/RR WINDOW *DEF
main99321-00870i4K..KM20..4F;4K..KM20..SRF..4H..EUR;4K..KM20..HRF..VSP..4H..EUR;4K..KM20..HRF..4H..(05S,07S)..EUR197910-198210
COLD SPEC & W/RR WINDOW *DEF
main99321-00870i4K..KM20..4F;4K..KM20..SRF..4H..EUR;4K..KM20..HRF..VSP..4H..EUR;4K..KM20..HRF..4H..(05S,07S)..EUR197910-198210
COLD SPEC OR W/RR WINDOW *DEF
40A ALTERNATOR,L=870
COLD SPEC & W/RR WINDOW *DEF;COLD SPEC OR W/RR WINDOW *DEF
SWITZERLAND SPEC
W/RR WINDOW *DEF
W/RR HEATER
16381BAR, FAN BELT ADJUSTING
16385SLIDER, FAN BELT ADJUSTING
16400RADIATOR ASSY
16400BPLUG, RADIATOR DRAIN COCK
16400FPACKING(FOR RADIATOR DRAIN COCK)
16401CAP SUB-ASSY, RADIATOR
16470TANK ASSY, RADIATOR RESERVE
SWITZERLAND SPEC
main16480-95700i4K..KM20..RHD..V;4K..KM20..LHD..VSP..EUR;4K..KM20..LHD..(03S,05S,06S,07S)197910-198508
main16480-95702i4K..KM20..VSP..EUR;4K..KM20..(HRF,SRF)..(03S,05S,06S,07S,08S,09S)..(EUR,GEN)198101-198210
16470AHOSE OR PIPE(FOR RADIATOR RESERVE TANK)
L=1300
L=920(*H,L=840)
16470BCLAMP OR CLIP(FOR RADIATOR RESERVE TANK HOSE)
16471CAP SUB-ASSY, RESERVE TANK
SWITZERLAND SPEC
main16405-95703i4K..KM20..VSP..EUR;4K..KM20..(HRF,SRF)..(03S,05S,06S,07S,08S,09S)..(EUR,GEN)198101-198508
16571HOSE, RADIATOR, INLET
16571ACLAMP OR CLIP, HOSE(FOR RADIATOR INLET)
OUTLET SIDE
main96111-10430i4K..KM20..RHD;4K..KM20..LHD..VSP..EUR;4K..KM20..LHD..(03S,05S,06S,07S,09S)197910-198108
RADIATOR SIDE
16572HOSE, RADIATOR, OUTLET
WATER PUMP SIDE
RADIATOR SIDE
16572ACLAMP OR CLIP, HOSE(FOR RADIATOR OUTLET NO.1)
ID=47
16701SHROUD SUB-ASSY, FAN
CHINA SPEC
W/COOLER
W/COOLER
W/COOLER
main16711-27080i4K..KM20..4F;4K..KM20..LHD..VSP..4H..EUR;4K..KM20..LHD..4H..(03S,05S,06S,07S,09S)197910-198508
16712SHROUD, FAN, NO.2
9011908493
main90119-08493
9017906070
main90179-06070
9017908040
main90179-08040
9161160640
main91611-60640
9161160830
main91611-60830
9162140840
main91621-40840
9165140616
main91651-40616
9166140616
main91661-40616
40 parts on this diagram · 4 diagrams in section