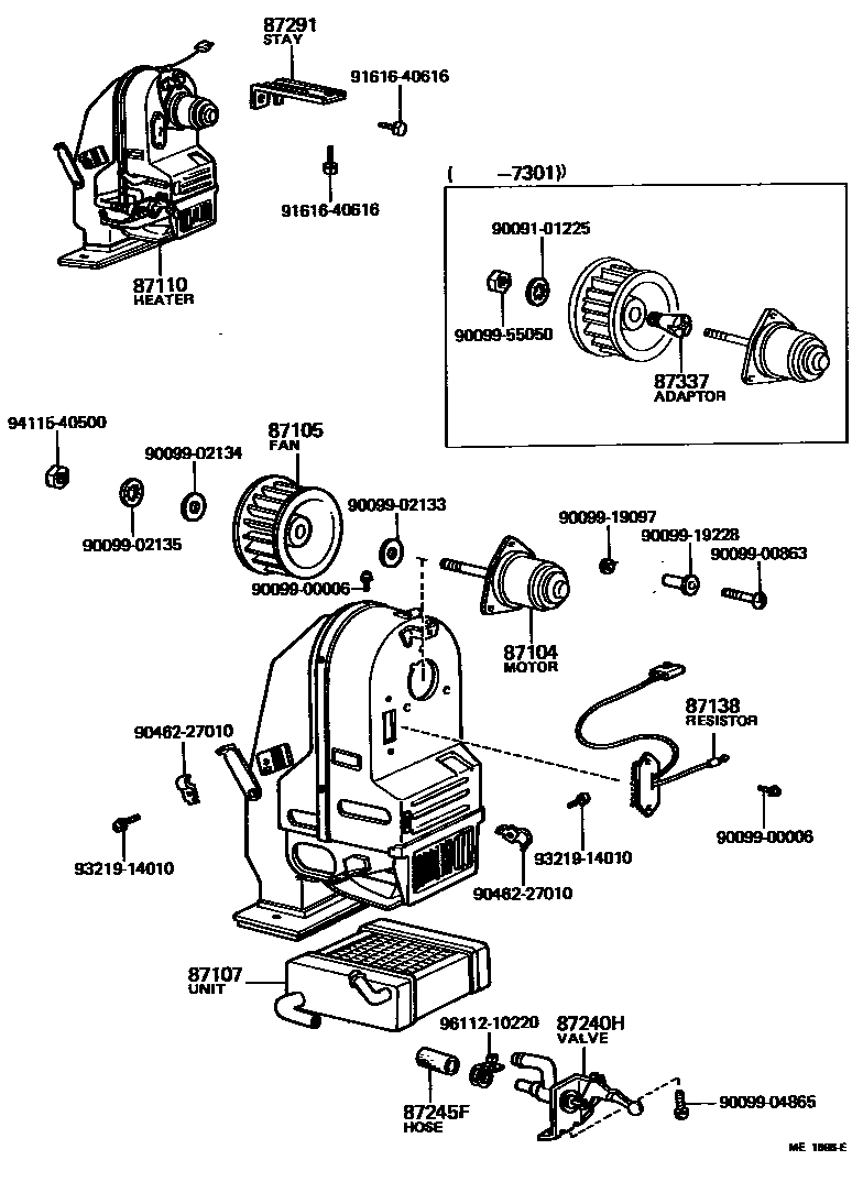
HEATING & AIR CONDITIONING - HEATER UNIT & BLOWER

87104MOTOR SUB-ASSY, HEATER BLOWER
87138RESISTOR, HEATER BLOWER
87240HVALVE ASSY, WATER UNIT
87245FHOSE, HEATER WATER, INLET F
87337ADAPTER, HEATER BLOWER MOTOR
9009101225
main90091-01225
9009900006
main90099-00006
9009900863
main90099-00863
9009902133
main90099-02133
9009902134
main90099-02134
9009902135
main90099-02135
9009904865
main90099-04865
9009919097
main90099-19097
9009919228
main90099-19228
9009955050
main90099-55050
9046227010
main90462-27010
9161640616
main91616-40616
9321914010
main93219-14010
9411540500
main94115-40500
9611210220
main96112-10220
24 parts on this diagram · 2 diagrams in section