E
EPC Data

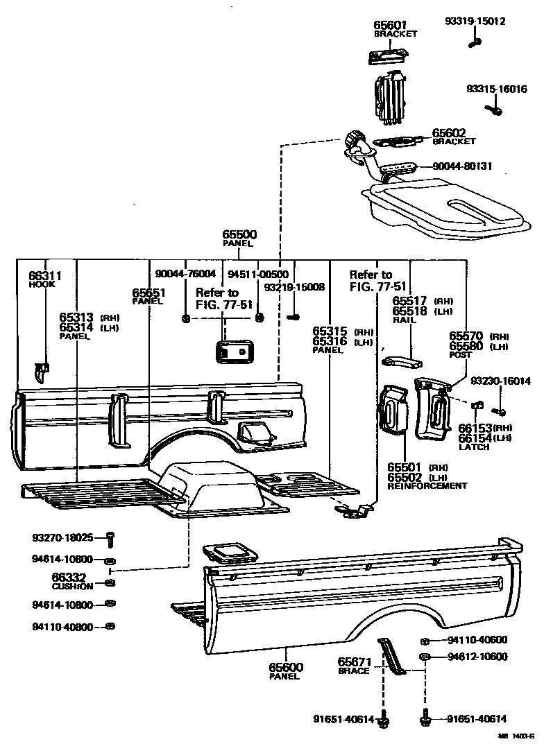
REAR BODY SIDE PANEL

Parts diagram
65313PANEL, FLOOR FRONT CORNER, RH
main65313-87401i197105-197408
65314PANEL, FLOOR FRONT CORNER, LH
main65314-87401i197105-197408
65315PANEL, FLOOR REAR CORNER, RH
main65315-87401i197105-197408
65316PANEL, FLOOR REAR CORNER, LH
main65316-87401i197105-197408
65500PANEL ASSY, REAR BODY SIDE, RH
main65500-87401i197105-197408
main65500-87402i197105-197610
main65500-87404i197610-197909
65501REINFORCEMENT SUB-ASSY, REAR END POST, INNER RH
main65501-87401i197105-197408
65502REINFORCEMENT SUB-ASSY, REAR END POST, INNER LH
main65502-87401i197105-197408
65517RAIL, SIDE PANEL TOP, REAR RH
main65517-87401i197105-197408
65518RAIL, SIDE PANEL TOP, REAR LH
main65518-87401i197105-197408
65570POST ASSY, SIDE PANEL REAR END, RH
main65503-87401i197105-197408
65580POST ASSY, SIDE PANEL REAR END, LH
main65504-87401i197105-197408
65600PANEL ASSY, REAR BODY SIDE, LH
main65600-87401i197105-197408
main65600-87402i197105-197610
main65600-87404i197610-197909
65601BRACKET SUB-ASSY, FUEL EXPANSION TANK, NO.1
main65532-87401i197304-197408
main66263-87401i197304-197909
65602BRACKET, FUEL EXPANSION TANK, NO.2
main65533-87401i197304-197408
main66264-87401i197304-197909
65651PANEL, WHEEL HOUSE
main65602-87401i197105-197107
main65651-87401i197107-197408
65671BRACE, SIDE PANEL SKIRT, FRONT
main65671-87401i197105-197408
RH.
main65672-87401i197105-197408
LH.
66153LATCH, TAIL GATE FEMALE, RH
main66153-87401i197105-197408
66154LATCH, TAIL GATE FEMALE, LH
main66153-87401i197105-197408
66311HOOK, ROPE
main66311-87401i197105-197909
66332CUSHION, RUBBER
main66332-95110i197105-197408
7751
9004476004
9004480131
9165140614
9321915008
9323016014
9327018025
9331516016
9331915012
9411040600
9411040800
9451100500
9461210600
9461410800

34 parts on this diagram · 2 diagrams in section

REAR BODY SIDE PANEL — Toyota Parts Diagram with OEM Numbers & Prices | EPC Data