E
EPC Data

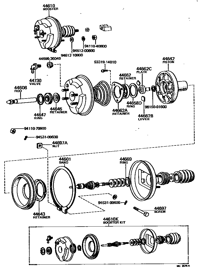
BRAKE BOOSTER & VACUUM TUBE

Parts diagram
44601BAND SUB-ASSY, BOOSTER BODY
main44605-60010i197309-197511
44608PUSH ROD SUB-ASSY, BOOSTER
main44606-30030i197309-197511
44610BOOSTER ASSY, BRAKE
main44610-27010i197309-197511
44610KBOOSTER KIT, BRAKE
main04443-27010i197309-197511
44642PISTON, BRAKE BOOSTER
main44642-25010i197309-197511
44643RETAINER, DIAPHRAGM
main44643-60010i197309-197511
44645RETAINER, BOOSTER PUSH ROD SEAL
main44626-60010i197309-197511
44647RING, CIRCULAR INTERNAL(FOR BOOSTER BODY SEAL STOPPER)
main44628-60010i197309-197511
44658DRING, O(FOR BOOSTER CONTROL VALVE)
main44674-30030i197309-197511
44662RETAINER, REACTION, NO.1
main44662-60010i197309-197511
44662ARETAINER, REACTION, NO.2
main44663-60010i197309-197511
44662BLEVER, REACTION
main44661-60010i197309-197511
44662CPLATE, REACTION, NO.1
main44653-12070i197410-197511
main44653-25010i197309-197410
44669RING, CIRCULAR INTERNAL(FOR AIR CLEANER ELEMENT STOPPER)
main44669-60010i197309-197511
44697SCREW, BOOSTER BAND SET
main44681-60011i197309-197511
44697ANUT(FOR BOOSTER BAND SET)
main44686-30030i197309-197511
44730VALVE ASSY, VACUUM CHECK(FOR BRAKE)
main44730-22060i197309-197410
main44730-22070i197410-197511
4469636040GROMMET, CHECK VALVE
9331914010
9411040800
9411070600
9451200800
9453100600
9461210800
9615001600

25 parts on this diagram · 2 diagrams in section

BRAKE BOOSTER & VACUUM TUBE — Toyota Parts Diagram with OEM Numbers & Prices | EPC Data