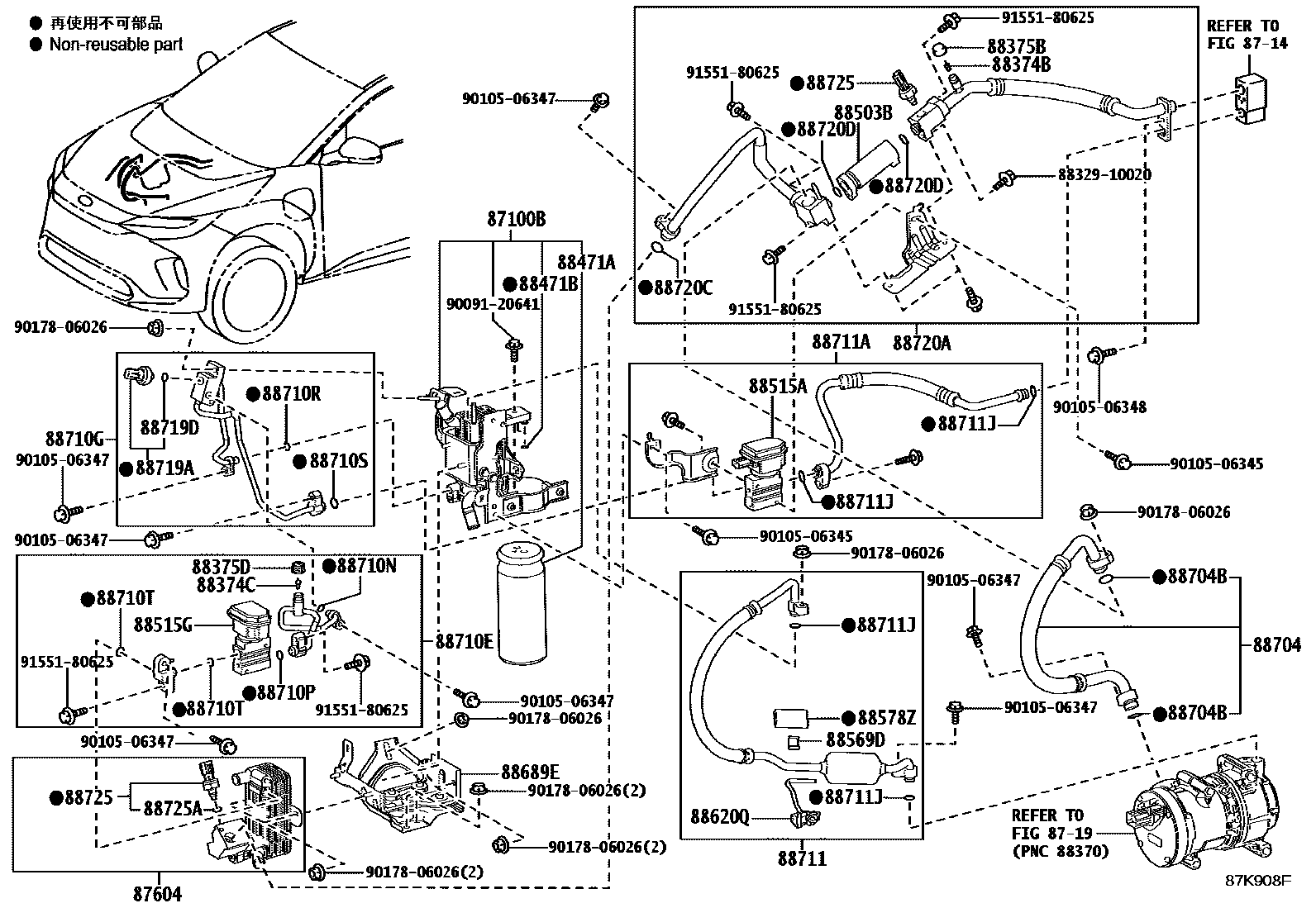
HEATING & AIR CONDITIONING - COOLER PIPING

87100BCONDENSER ASSY
8714
8719
87604UNIT SUB-ASSY, HEAT EXCHANGER
88374BVALVE, SERVICE, NO.1
88374CVALVE, SERVICE, NO.2
88375BCAP, SERVICE VALVE, NO.1
HONG KONG SPEC
88375DCAP, SERVICE VALVE, NO.2
HONG KONG SPEC
88471ATANK, RECEIVER
88471BRING, O (FOR RECEIVER TANK)
ID=6.7,OD=10.3,HONG KONG SPEC
ID=6.7,OD=10.3
88503BREGULATOR SUB-ASSY, PRESSURE
HONG KONG SPEC
88515AVALVE, COOLER EXPANSION
88515GVALVE, COOLER EXPANSION, NO.2
88569DCLAMP, COOLER, NO.1
88578ZPACKING, COOLER, NO.1
88620QTHERMISTOR ASSY, AIR CONDITIONER NO.1
88689EBRACKET, COOLER, NO.1
88704HOSE SUB-ASSY, SUCTION
88704BRING, O(FOR SUCTION HOSE)
ID=17.2,OD=22.0
88710ETUBE & ACCESSORY ASSY, AIR CONDITIONER
HONG KONG SPEC
88710GTUBE & ACCESSORY ASSY, AIR CONDITIONER, NO.2
88710NRING, O, NO.1(FOR TUBE & ACCESSORY ASSY, AIR CONDITIONER)
ID=6.7,OD=10.3,HONG KONG SPEC
ID=6.7,OD=10.3
88710PRING, O, NO.2(FOR TUBE & ACCESSORY ASSY, AIR CONDITIONER)
ID=10.8,OD=15.6
88710RRING, O, NO.1(FOR TUBE & ACCESSORY ASSY, A/C, NO.2)
ID=6.7,OD=10.3
88710SRING, O, NO.2(FOR TUBE & ACCESSORY ASSY, A/C, NO.2)
ID=10.8,OD=15.6
88710TRING, O, NO.3(FOR TUBE & ACCESSORY ASSY, AIR CONDITIONER)
88711HOSE, COOLER REFRIGERANT DISCHARGE, NO.1
88711AHOSE, COOLER REFRIGERANT DISCHARGE, NO.2
88711JRING, O, NO.1(FOR DISCHARGE HOSE)
ID=10.8,OD=15.6
88719ASENSOR, AIR CONDITIONER PRESSURE
88719DRING, O(FOR AIR CONDITIONER PRESSURE SENSOR)
ID=10.6,OD=14.16
88720AHOSE & ACCESSORY, AIR CONDITIONER
HONG KONG SPEC
88720CRING, O, NO.1(HOSE & ACCESSORY ASSY, AIR CONDITIONER)
ID=13.4,OD=18.2
88720DRING, O, NO.2(HOSE & ACCESSORY ASSY, AIR CONDITIONER)
ID=13.4,OD=18.2
88725SENSOR, REFRIGERANT
88725ARING, O (FOR REFRIGERANT SENSOR)
8832910020PISTON SUB-ASSY, COOLER COMPRESSOR
main88329-10020
9009120641
9010506345
9010506347
9010506348
9017806026
9155180625
43 parts on this diagram · 2 diagrams in section