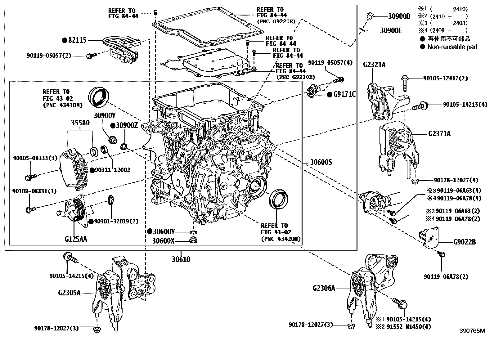
TRANSAXLE ASSY(HEV OR BEV OR FCEV)

30600STRANSAXLE ASSY, EV W/MOTOR
30600XPLUG, DRAIN(BEV)
30600YGASKET, DRAIN PLUG(BEV)
30610TRANSAXLE ASSY, W/MOTOR & INVERTER
30900DPLUG, W/HEAD STRAIGHT SCREW(FOR TRANSAXLE HOUSING & CASE)
30900EGASKET(FOR TRANSAXLE HOUSING & CASE)
30900YPLUG, FILLER(BEV)
30900ZGASKET, FILLER PLUG(BEV)
35580ACTUATOR ASSY, SHIFT CONTROL
4302
82115WIRE, MOTOR COMPARTMENT, MAIN
8444
G125AACOOLER, MOTOR COOLING
G2305AINSULATOR SUB-ASSY, MOTOR MOUNTING, RH
G2306AINSULATOR SUB-ASSY, MOTOR MOUNTING, LH
G2321ABRACKET, MOTOR MOUNTING, REAR
G2371AINSULATOR, MOTOR MOUNTING, REAR
G9022BCOVER SUB-ASSY, INVERTER, UPPER
G9171CPIPE, INVERTER COOLING, NO.1
9010508333
main90105-08333
9010512417
main90105-12417
9010514215
main90105-14215
9010908331
main90109-08331
9011905057
main90119-05057
9011906A63
main90119-06A63
9011906A78
main90119-06A78
9017812027
main90178-12027
9030132019
main90301-32019
9031112002
main90311-12002
91552N1450
main91552-N1450
30 parts on this diagram · 2 diagrams in section