E
EPC Data

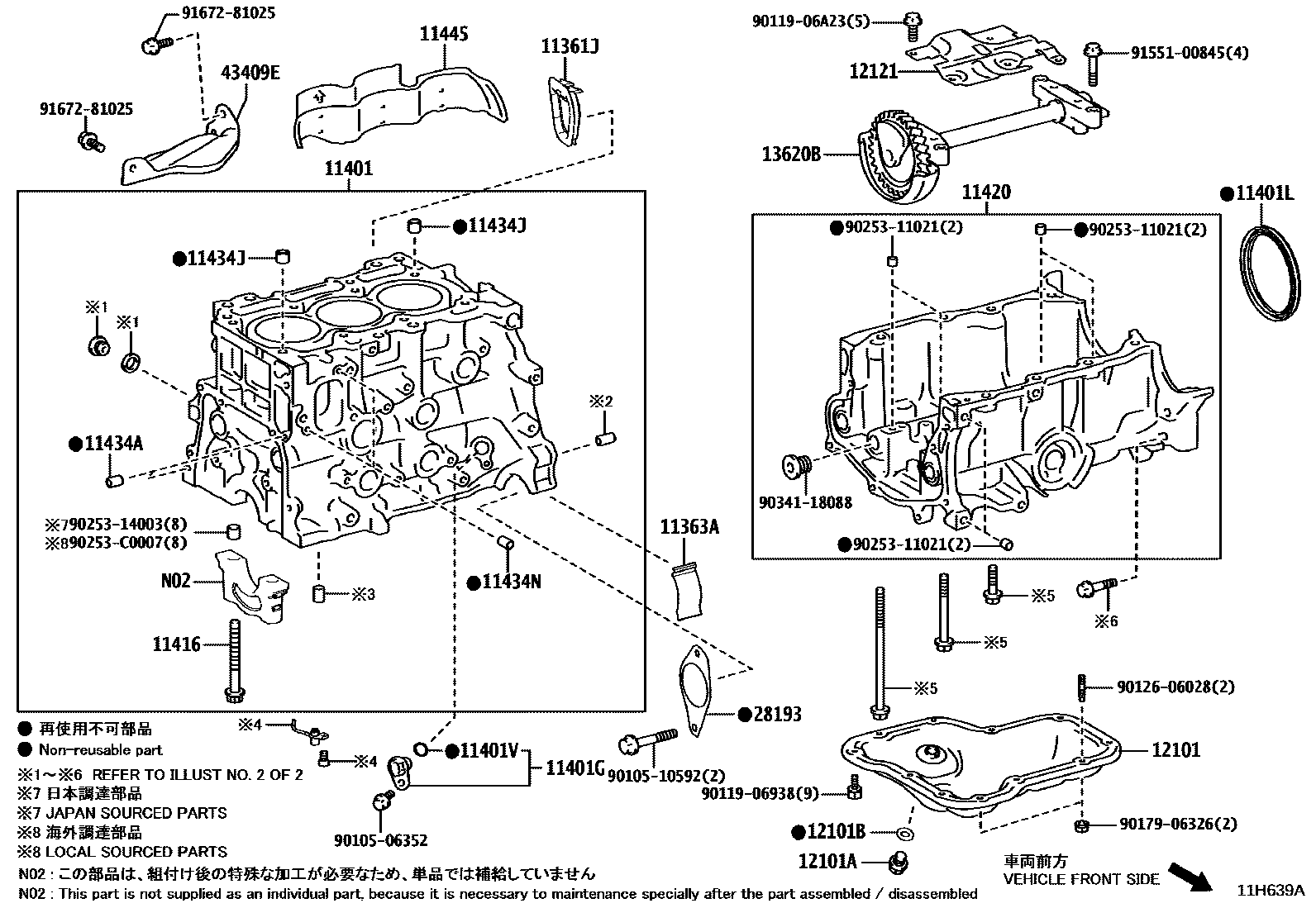
CYLINDER BLOCK

Parts diagram
11361JCOVER, FLYWHEEL HOUSING UNDER
main11361-25010i202312
11363ACOVER, FLYWHEEL HOUSING SIDE
main11363-15010i202312
11401BLOCK SUB-ASSY, CYLINDER
main11410-19005i202312
11401GSENSOR, CRANK POSITION
main90919-05095i202312
11401LSEAL, ENGINE REAR OIL
main90311-90011i202312
11401VO-RING, CRANK POSITION SENSOR
main90301-11039i202312
11416BOLT(FOR CRANKSHAFT BEARING CAP SET)
main90910-02197i202312
11420CRANKCASE ASSY, STIFFENING
main11420-15010i202312
11434APIN, STRAIGHT(FOR TIMING GEAR COVER SET)
main90250-06003i202312
L=14,OD=6
11434JPIN, RING (FOR CYLINDER HEAD SET)
main90253-13017i202312
11434NPIN, STRAIGHT(FOR WATER INLET HOUSING)
main90250-06003i202312
11445SPACER, CYLINDER BLOCK WATER JACKET
main11445-15010i202312
12101PAN SUB-ASSY, OIL
main12102-15010i202312
12101APLUG(FOR OIL PAN DRAIN)
main90341-12012i202312
12101BGASKET(FOR OIL PAN DRAIN PLUG)
main90430-12031i202312
12121PLATE, OIL PAN BAFFLE, NO.1
main12121-15050i202312
13620BBALANCER ASSY, ENGINE
main13620-15010i202312
28193INSULATOR, STARTER HOLE
main28193-25010i202312
43409EINSULATOR SUB-ASSY, DRIVE SHAFT HEAT
main43409-K0040i202312
9010506352
9010510592
9011906938
9011906A23
9012606028
9017906326
9025311021
9025314003
90253C0007
9034118088
9155100845
9167281025

31 parts on this diagram · 2 diagrams in section

CYLINDER BLOCK — Toyota Parts Diagram with OEM Numbers & Prices | EPC Data