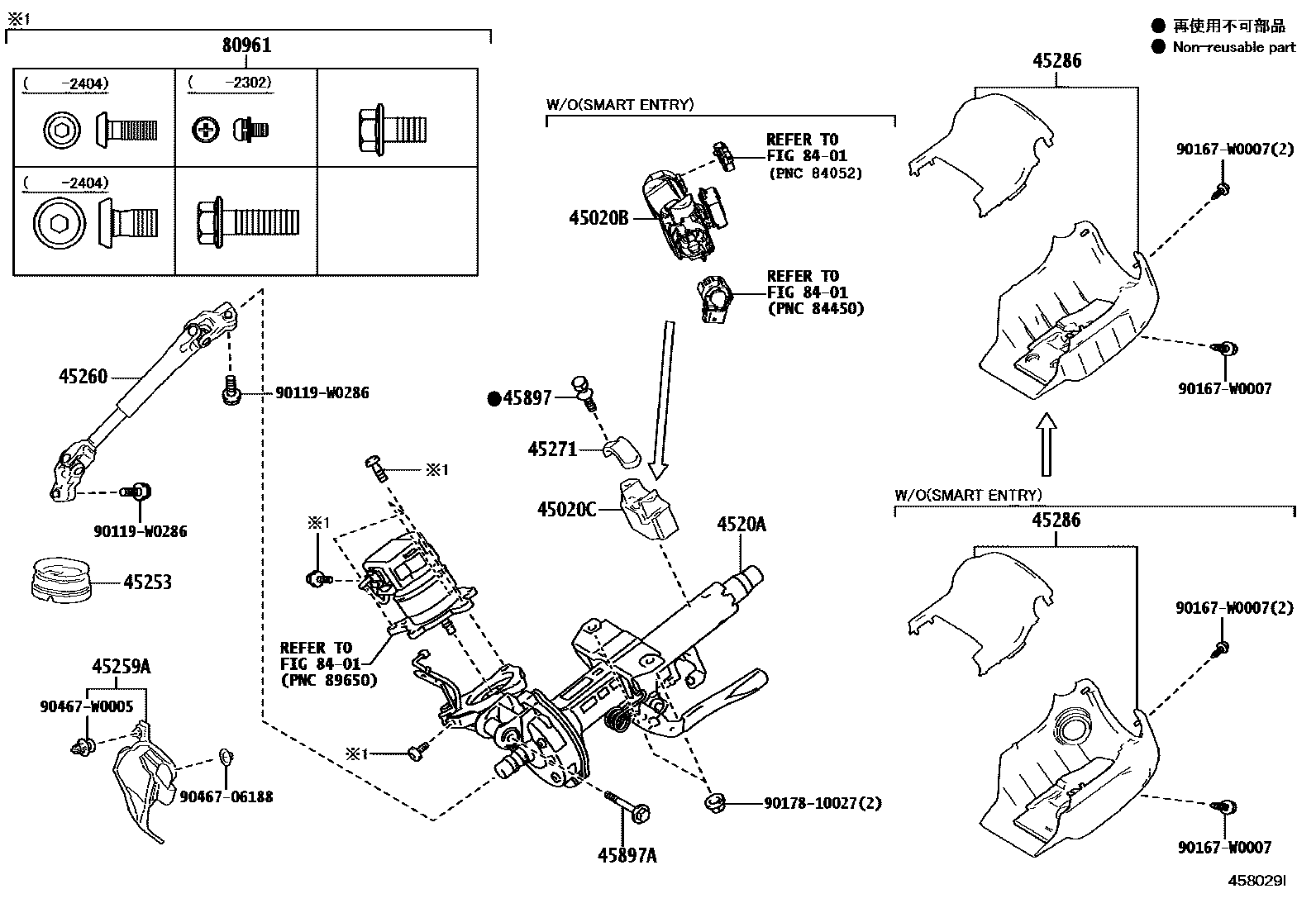
STEERING COLUMN & SHAFT

45020BACTUATOR OR UPPER BRACKET ASSY, STEERING LOCK
IRELAND, CYPRUS SPEC
MALTA SPEC
IRELAND,CYPRUS SPEC
WIRELESS DOOR LOCK-WITH(SMART ENTRY & ID)
45020CACTUATOR ASSY, STEERING LOCK(W/ECU)
IRELAND, CYPRUS SPEC
WIRELESS DOOR LOCK-WITH(SMART ENTRY & ID)
IRELAND, CYPRUS SPEC&WIRELESS DOOR LOCK-WITH(SMART ENTRY & ID)
MALTA SPEC
MALTA SPEC&WIRELESS DOOR LOCK-WITH(SMART ENTRY & ID)
WIRELESS DOOR LOCK-WITH(SMART ENTRY & ID)
4520ACOLUMN SUB-ASSY, ELECTRIC POWER STEERING
WIRELESS DOOR LOCK-WITH(SMART ENTRY & ID)
MALTA SPEC&WIRELESS DOOR LOCK-WITH(SMART ENTRY & ID)
WIRELESS DOOR LOCK-WITH(SMART ENTRY & ID)
IRELAND,CYPRUS SPEC&WIRELESS DOOR LOCK-WITH(SMART ENTRY & ID)
MALTA SPEC&WIRELESS DOOR LOCK-WITH(SMART ENTRY & ID)
WIRELESS DOOR LOCK-WITH(SMART ENTRY & ID)
IRELAND, CYPRUS SPEC&WIRELESS DOOR LOCK-WITH(SMART ENTRY & ID)
WIRELESS DOOR LOCK-WITH(SMART ENTRY & ID)
IRELAND, CYPRUS SPEC&WIRELESS DOOR LOCK-WITH(SMART ENTRY & ID)
MALTA SPEC&WIRELESS DOOR LOCK-WITH(SMART ENTRY & ID)
WIRELESS DOOR LOCK-WITH(SMART ENTRY & ID)
WIRELESS DOOR LOCK-WITH(SMART ENTRY & ID)
WIRELESS DOOR LOCK-WITH(SMART ENTRY & ID)
WIRELESS DOOR LOCK-WITH(SMART ENTRY & ID)
WIRELESS DOOR LOCK-WITH(SMART ENTRY & ID)
WIRELESS DOOR LOCK-WITH(SMART ENTRY & ID)
45253COVER, STEERING COLUMN HOLE
45259ASHEET, COLUMN HOLE COVER SILENCER
45260SHAFT ASSY, STEERING INTERMEDIATE, NO.2
45271CLAMP, STEERING COLUMN, UPPER
WIRELESS DOOR LOCK-WITH(SMART ENTRY & ID)
45286COVER, STEERING COLUMN
WIRELESS DOOR LOCK-WITH(SMART ENTRY & ID),BLACK,TRIM2#
WIRELESS DOOR LOCK-WITH(SMART ENTRY & ID),BLACK,TRIM1#,2#,6#,8#
BLACK,TRIM4#
BLACK,TRIM1#,2#,6#,8#
BLACK,TRIM2#,4#
BLACK,TRIM2#
BLACK,TRIM2#
BLACK,TRIM1#,2#,6#,8#
BLACK,TRIM1#,2#,8#
45897BOLT, STEERING LOCK SET
MALTA SPEC&WIRELESS DOOR LOCK-WITH(SMART ENTRY & ID)
W/O SEALANT
WIRELESS DOOR LOCK-WITH(SMART ENTRY & ID)
IRELAND, CYPRUS SPEC
IRELAND, CYPRUS SPEC&WIRELESS DOOR LOCK-WITH(SMART ENTRY & ID)
MALTA SPEC
IRELAND,CYPRUS SPEC
IRELAND,CYPRUS SPEC&WIRELESS DOOR LOCK-WITH(SMART ENTRY & ID)
W/SEALANT
45897ABOLT, TILT STEERING PAWL SET
80961FASTENER SET, POWER STEERING MOTOR
8401
90119W0286
main90119-W0286
90167W0007
main90167-W0007
9017810027
main90178-10027
9046706188
main90467-06188
90467W0005
main90467-W0005
17 parts on this diagram · 4 diagrams in section