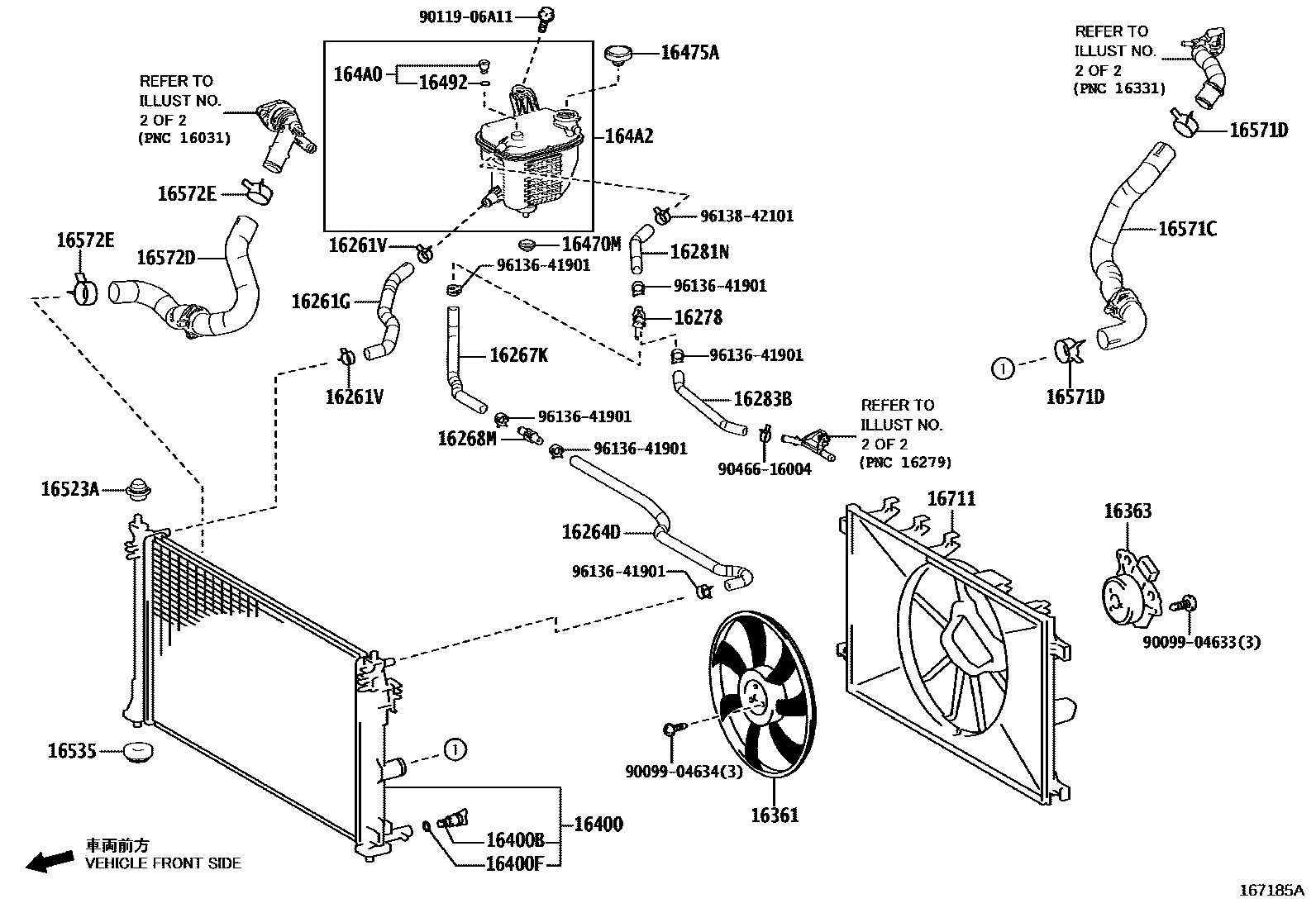
RADIATOR & WATER OUTLET

16261GHOSE, WATER BY-PASS, NO.1
16261VCLAMP OR CLIP, HOSE(FOR WATER BY-PASS HOSE)
16264HOSE, WATER BY-PASS, NO.2
SOUTH AFRICA SPEC&EXHAUST EMISSION CONTROL-EURO 5
DOMINICA, PERU SPEC&EXHAUST EMISSION CONTROL-EURO 5
MALAYSIA SPEC&EXHAUST EMISSION CONTROL-EURO 5
BRUNEI SPEC&EXHAUST EMISSION CONTROL-EURO 5
PHILIPPINES SPEC&EXHAUST EMISSION CONTROL-EURO 5
INDONESIA SPEC&EXHAUST EMISSION CONTROL-EURO 5
16264DHOSE, WATER BY-PASS, NO.2
16267HOSE, WATER BY-PASS, NO.3
SOUTH AFRICA SPEC&EXHAUST EMISSION CONTROL-EURO 5
DOMINICA, PERU SPEC&EXHAUST EMISSION CONTROL-EURO 5
MALAYSIA SPEC&EXHAUST EMISSION CONTROL-EURO 5
BRUNEI SPEC&EXHAUST EMISSION CONTROL-EURO 5
PHILIPPINES SPEC&EXHAUST EMISSION CONTROL-EURO 5
INDONESIA SPEC&EXHAUST EMISSION CONTROL-EURO 5
CHILE SPEC
16267KHOSE, WATER BY-PASS, NO.3
16268PIPE, WATER BY-PASS, NO.1
SOUTH AFRICA SPEC&EXHAUST EMISSION CONTROL-EURO 5
DOMINICA, PERU SPEC&EXHAUST EMISSION CONTROL-EURO 5
MALAYSIA SPEC&EXHAUST EMISSION CONTROL-EURO 5
BRUNEI SPEC&EXHAUST EMISSION CONTROL-EURO 5
PHILIPPINES SPEC&EXHAUST EMISSION CONTROL-EURO 5
INDONESIA SPEC&EXHAUST EMISSION CONTROL-EURO 5
16268MPIPE, WATER BY-PASS, NO.3
16278PIPE, WATER BY-PASS, NO.2
16281HOSE, WATER BY-PASS, NO.4
16281NHOSE, WATER BY-PASS, NO.4
16283HOSE, WATER BY-PASS, NO.6
MALAYSIA SPEC&EXHAUST EMISSION CONTROL-EURO 5
SOUTH AFRICA SPEC&EXHAUST EMISSION CONTROL-EURO 5
DOMINICA, PERU SPEC&EXHAUST EMISSION CONTROL-EURO 5
BRUNEI SPEC&EXHAUST EMISSION CONTROL-EURO 5
PHILIPPINES SPEC&EXHAUST EMISSION CONTROL-EURO 5
INDONESIA SPEC&EXHAUST EMISSION CONTROL-EURO 5
CHILE SPEC
16283BHOSE, WATER BY-PASS
16361FAN
16363MOTOR, COOLING FAN
16400RADIATOR ASSY
MALAYSIA SPEC
CHILE SPEC
CHILE SPEC
MALAYSIA SPEC
16400BPLUG, RADIATOR DRAIN COCK
16400FPACKING(FOR RADIATOR DRAIN COCK)
16470TANK ASSY, RADIATOR RESERVE
16470MGROMMET
16475ACAP, RESERVE TANK
16492RING, O(FOR RADIATOR RESERVE TANK COCK)
164A0COCK ASSY, RESERVE TANK
164A2TANK, RESERVE SEALED W/O CAP
16523ACUSHION, RADIATOR SUPPORT
16535SUPPORT, RADIATOR, LOWER
16571CHOSE, RADIATOR, NO.1
16571DCLIP, RADIATOR HOSE, NO.1
16572DHOSE, RADIATOR, NO.2
16572ECLIP, RADIATOR HOSE, NO.2
16711SHROUD, FAN
MALAYSIA SPEC
CHILE SPEC
9009904633
main90099-04633
9009904634
main90099-04634
9011906A11
main90119-06A11
9046616004
main90466-16004
9613641901
main96136-41901
9613842101
main96138-42101
37 parts on this diagram · 8 diagrams in section