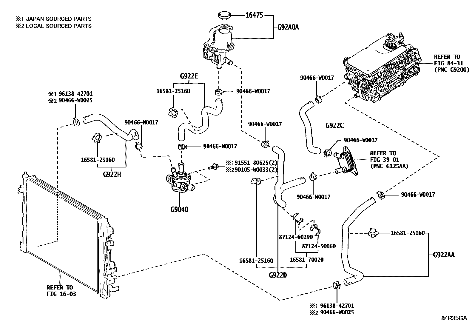
INVERTER COOLING

1603
16475CAP, RESERVE TANK
3901
8431
G9040INVERTER WATER PUMP ASSY(W/MOTOR)
G922AAHOSE, INVERTER COOLING INLET, NO.1
G922DHOSE, INVERTER COOLING OUTLET, NO.2
G922EHOSE, HYBRID WATER PUMP INLET
G92A0ATANK ASSY, INVERTER RESERVE
1658125160CLAMP, HOSE(FOR WATER HOSE)
main16581-25160
1658170020CLAMP, HOSE(FOR WATER HOSE)
main16581-70020
8712450060CLAMP, HEATER
main87124-50060
8712460290CLAMP, HEATER
main87124-60290
90105W0033
main90105-W0033
90466W0017
main90466-W0017
90466W0025
main90466-W0025
9155180625
main91551-80625
9613842701
main96138-42701
20 parts on this diagram · 3 diagrams in section