E
EPC Data

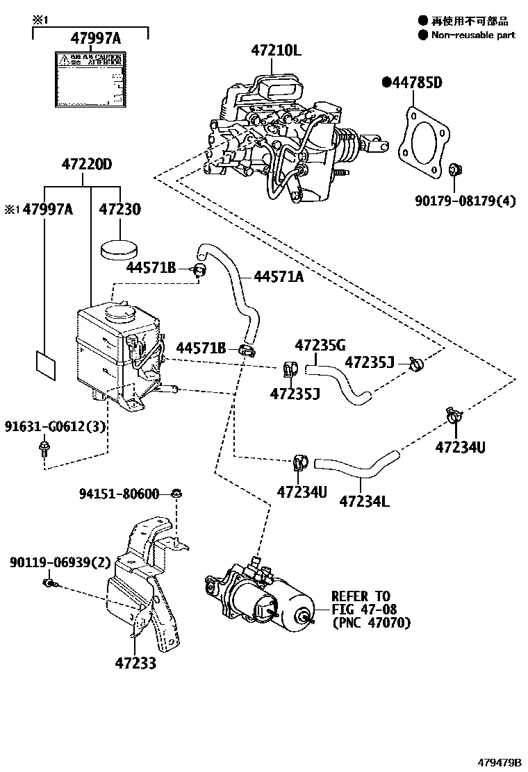
BRAKE MASTER CYLINDER

Parts diagram
44571AHOSE, BRAKE ACTUATOR, NO.1
main44571-48100i201407-201709
main44571-78010i201407-201709
44571BCLIP, HOSE(FOR BRAKE ACTUATOR HOSE NO.1)
main96137-41501i201407-201709
44785DGASKET, BRAKE MASTER CYLINDER
main44785-12040i201407-201709
4708
47210LBRAKE BOOSTER ASSY, W/MASTER CYLINDER
main47050-78010i201407-201709
main47050-78020i201407-201709
main47050-78050i201407-201709
main47050-78060i201407-201709
main47050-78090i201709-201905
main47050-78091i201905-202007
main47050-78100i201709-201905
main47050-78101i201905-202007
main47050-78110i201709-201905
main47050-78111i201905-202007
main47050-78120i201709-201905
main47050-78121i201905-202007
main47050-78280i202007
main47050-78290i202007
main47050-78300i202007
main47050-78310i202007
47220DRESERVOIR ASSY, BRAKE MASTER CYLINDER
main47220-42100i201410-201709
main47220-48230i201407-201709
main47220-78010i201407-201709
47230CAP ASSY, BRAKE MASTER CYLINDER RESERVOIR FILLER
main47230-20140i201410-201709
main47230-47090i201612-201709
main47230-58010i201407-201612
47233BRACKET, RESERVOIR
main47233-42010i201407-201709
main47233-48150i201407-201709
47234LHOSE, RESERVOIR, NO.1
main47234-42010i201407-201709
main47234-48230i201407-201709
47234UCLIP(FOR RESERVOIR HOSE NO.1)
main96137-41501i201407-201709
47235GHOSE, RESERVOIR, NO.2
main47235-42010i201407-201709
main47235-48130i201407-201709
47235JCLIP(FOR RESERVOIR HOSE NO.2)
main96137-41501i201407-201709
47997ALABEL, ACCUMULATOR CAUTION, NO.1
main47997-76010i201407-201709
9011906939
9017908179
91631G0612
9415180600

17 parts on this diagram · 4 diagrams in section

BRAKE MASTER CYLINDER — Toyota Parts Diagram with OEM Numbers & Prices | EPC Data