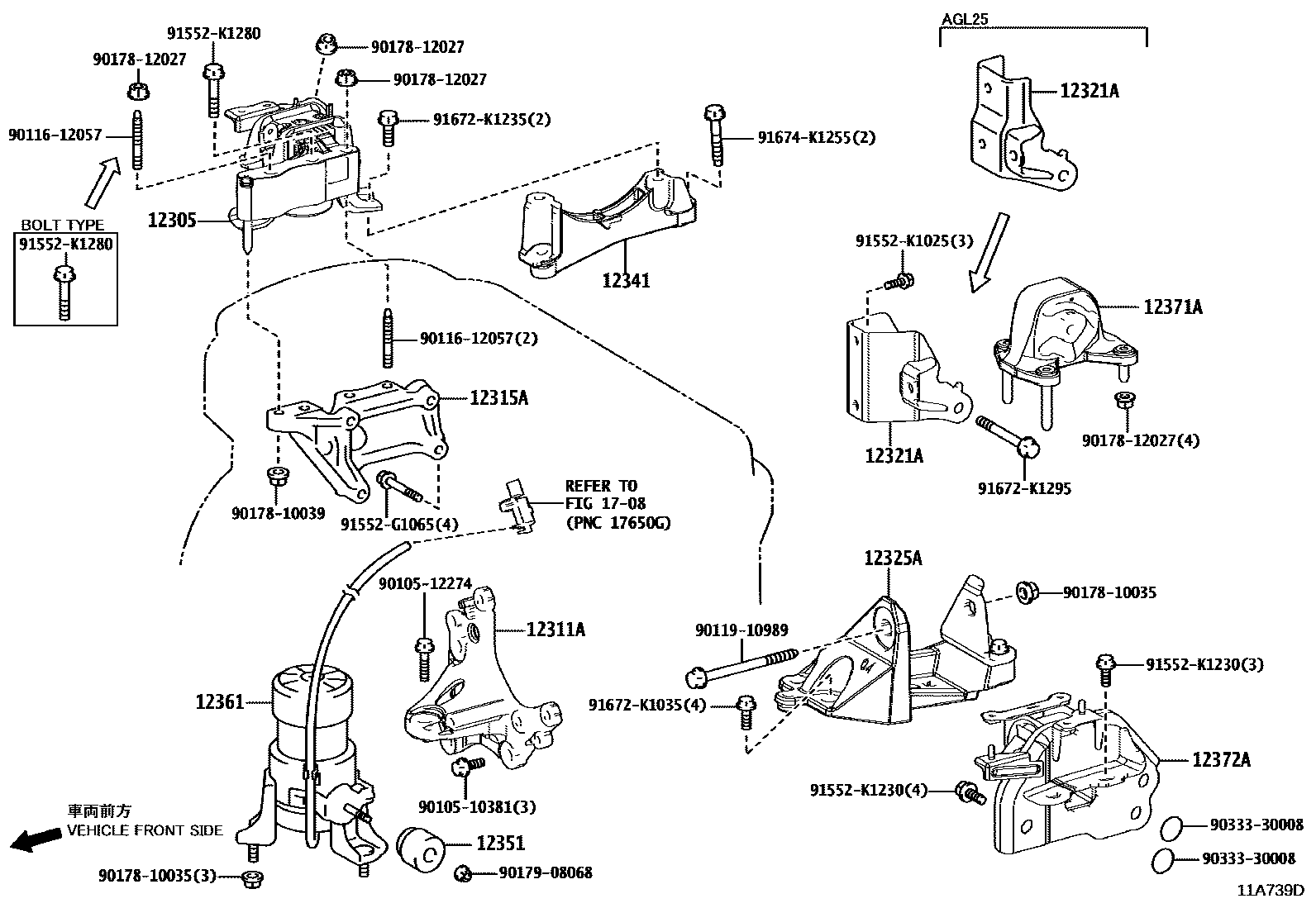
MOUNTING

12305INSULATOR SUB-ASSY, ENGINE MOUNTING, RH
12311BRACKET, ENGINE MOUNTING, FRONT NO.1 RH
12311ABRACKET, ENGINE MOUNTING, FRONT(FOR TRANSVERSE ENGINE)
12315BRACKET, ENGINE MOUNTING, FRONT NO.1 LH
12315ABRACKET, ENGINE MOUNTING, RH(FOR TRANSVERSE ENGINE)
12321ABRACKET, ENGINE MOUNTING, REAR(FOR TRANSVERSE ENGINE)
NO.1
NO.2
12325ABRACKET, ENGINE MOUNTING, LH(FOR TRANSVERSE ENGINE)
12341SPACER, ENGINE MOUNTING
12351DAMPER, ENGINE MOUNTING
12361INSULATOR, ENGINE MOUNTING, FRONT
12371AINSULATOR, ENGINE MOUNTING, REAR
12372AINSULATOR, ENGINE MOUNTING, LH(FOR TRANSVERSE ENGINE)
1708
9010510381
main90105-10381
9010512274
main90105-12274
9011612057
main90116-12057
9011910989
main90119-10989
9017810035
main90178-10035
9017810039
main90178-10039
9017812027
main90178-12027
9017908068
main90179-08068
9033330008
main90333-30008
91552G1065
main91552-G1065
91552K1025
main91552-K1025
91552K1230
main91552-K1230
91552K1280
main91552-K1280
91672K1035
main91672-K1035
91672K1235
main91672-K1235
91672K1295
main91672-K1295
91674K1255
main91674-K1255
30 parts on this diagram · 3 diagrams in section