FRONT FENDER APRON & DASH PANEL

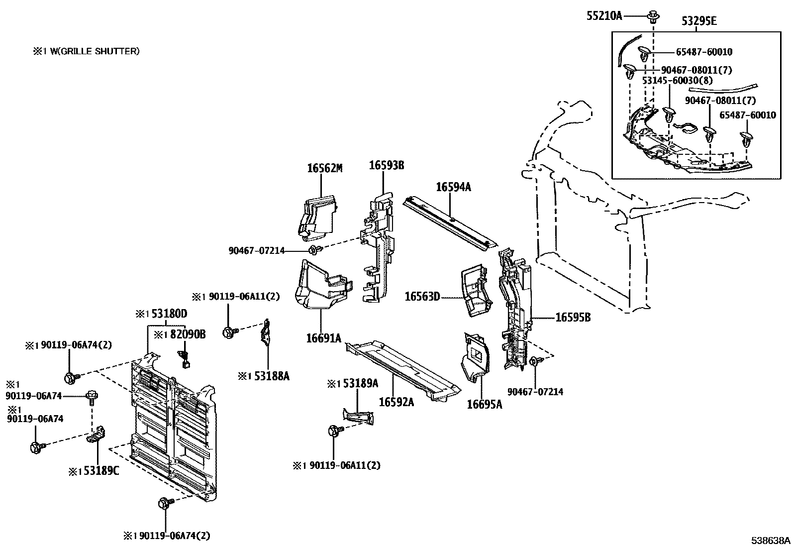
16562MSEAL, RADIATOR TO SUPPORT, NO.2
16563DSEAL, RADIATOR TO SUPPORT, NO.3
16592AGUIDE, RADIATOR AIR, NO.3
16593BGUIDE, RADIATOR AIR, NO.1 RH
16594AGUIDE, RADIATOR AIR, NO.2
16595BGUIDE, RADIATOR AIR, NO.1 LH
16691APLATE, RADIATOR SIDE AIR GUIDE, FRONT RH
F SPORT
16695APLATE, RADIATOR SIDE AIR GUIDE, FRONT LH
F SPORT
53188ABRACKET, RADIATOR SHUTTER SUPPORT, RH
53189ABRACKET, RADIATOR SHUTTER SUPPORT, LH
53189CBRACKET, RADIATOR SHUTTER SUPPORT, CENTER
53295ESEAL, COOL AIR INTAKE DUCT
55210ACLIP
82090BWIRE ASSY, EXTENSION
5314560030BRACKET,RADIATOR GRILLE MOUNTING, RH
main53145-60030
6548760010CLIP, CORNER PROTECTOR
main65487-60010
9011906A11
main90119-06A11
9011906A74
main90119-06A74
9046707214
main90467-07214
9046708011
main90467-08011
22 parts on this diagram · 4 diagrams in section