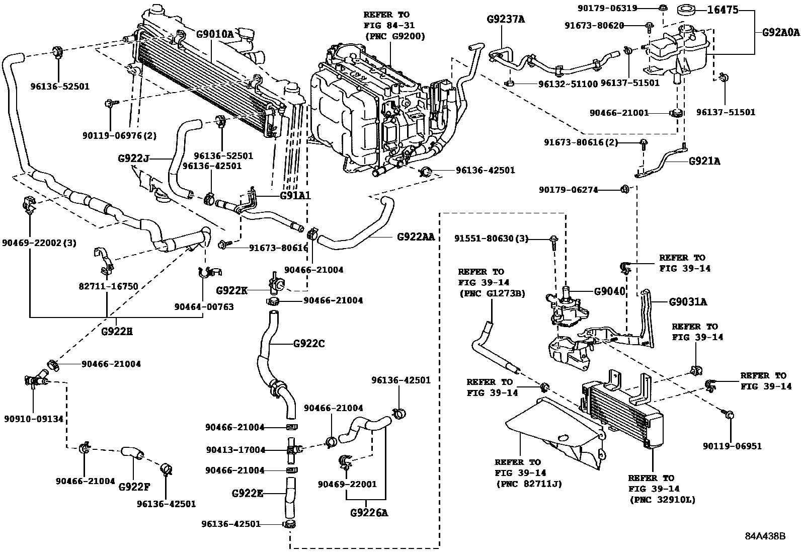
INVERTER COOLING

3914
8431
G9031ABRACKET SUB-ASSY, HV WATER PUMP
G9040INVERTER WATER PUMP ASSY(W/MOTOR)
G91A1PIPE, INVERTER COOLING, INLET
G921ABRACKET, INVERTER RESERVE TANK, NO.1
G9226AHOSE, INVERTER COOLING, NO.2
G922AAHOSE, INVERTER COOLING INLET, NO.1
subG922A-48020
G922CHOSE, INVERTER COOLING OUTLET, NO.1
G922EHOSE, HYBRID WATER PUMP INLET
G922FHOSE, HYBRID WATER PUMP OUTLET, NO.1
G922HHOSE, HYBRID RADIATOR INLET
G922JHOSE, HYBRID RADIATOR OUTLET
G922KCONNECTOR, HYBRID WATER HOSE
G9237AHOSE, INVERTER DRAIN
8271116750WIRE, FUSE TO FUSE(FOR COMBUSTION HEATER)
main82711-16750
9011906951
main90119-06951
9011906976
main90119-06976
9017906274
main90179-06274
9017906319
main90179-06319
9041317004
main90413-17004
9046400763
main90464-00763
9046621001
main90466-21001
9046621004
main90466-21004
9046922001
main90469-22001
9046922002
main90469-22002
9091009134
main90910-09134
9155180630
main91551-80630
9167380616
main91673-80616
9167380620
main91673-80620
9613251100
main96132-51100
9613642501
main96136-42501
9613652501
main96136-52501
9613751501
main96137-51501
37 parts on this diagram · 2 diagrams in section