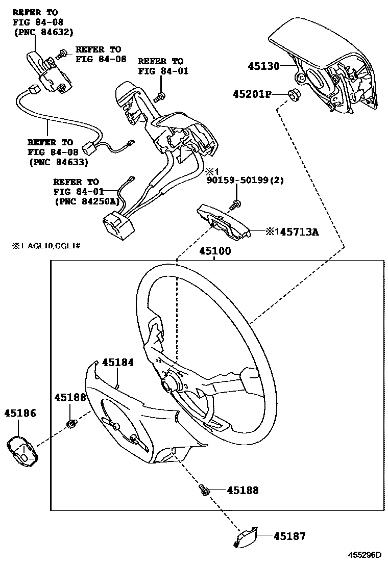
STEERING WHEEL

45100WHEEL ASSY, STEERING
3-SPOKE,LEATHER,BLACK & RED,TRIM22
3-SPOKE,LEATHER,BLACK,TRIM1#,20
3-SPOKE,LEATHER,BLACK,TRIM1#,2#
3-SPOKE,LEATHER,DK. BROWN,TRIM0#
3-SPOKE,LEATHER,BLACK,TRIM1#,2#
3-SPOKE,LEATHER,DK. BROWN,TRIM0#
3-SPOKE,LEATHER,BLACK/BLACK,TRIM1#,2#,3#,4#
3-SPOKE,LEATHER,BLACK/BLACK,TRIM1#,2#,30,4#
3-SPOKE,LEATHER,BLACK/CRIMSON,TRIM32
3-SPOKE,LEATHER,DK.BROWN/DK.BROWN,TRIM0#
45130BUTTON ASSY, HORN
BLACK,TRIM1#,2#
DK. BROWN,TRIM0#
BLACK,TRIM1#,2#,3#,4#
DK. BROWN,TRIM0#
45184COVER, STEERING WHEEL BOSS, LOWER
BLACK,TRIM1#,2#
DK. BROWN,TRIM0#
BLACK,TRIM1#,2#,3#,4#
DK. BROWN,TRIM0#
45186COVER, STEERING WHEEL, LOWER NO.2
BLACK,TRIM1#,2#,3#,4#
DK. BROWN,TRIM0#
BLACK,TRIM1#,2#
DK. BROWN,TRIM0#
45187COVER, STEERING WHEEL, LOWER NO.3
BLACK,TRIM1#,2#,3#,4#
DK. BROWN,TRIM0#
BLACK,TRIM1#,2#
DK. BROWN,TRIM0#
45188SCREW, STEERING WHEEL PAD ATTACHING
L=18
45201PNUT, STEERING WHEEL SET
45713ADAMPER, STEERING SHAKE
8401
8408
9015950199
main90159-50199
11 parts on this diagram · 2 diagrams in section