E
EPC Data

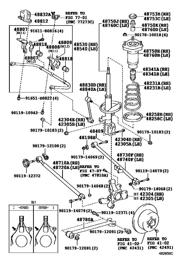
REAR SPRING & SHOCK ABSORBER

Parts diagram
4102
42304CARRIER SUB-ASSY, REAR AXLE, RH
main42304-48030i200302-200405
main42304-48031i200601-200705
PNC 42304D=M15X1.5
main42304-48050i200705-200709
PNC 42304D=M17X1.5
main42304-48051i200710-200812
42304DBOLT (FOR REAR AXLE CARRIER RH)
main90105-17012×2i200705-200812
M17X1.5
main90901-05001×2i200601-200705
M15X1.5
42304ENUT (FOR REAR AXLE CARRIER RH)
main90178-15002×2i200302-200601
main90178-17002×2i200705-200812
M17X1.5
42305CARRIER SUB-ASSY, REAR AXLE, LH
main42305-48030i200302-200405
main42305-48031i200601-200705
PNC 42305A=M15X1.5
main42305-48050i200705-200709
PNC 42305A=M17X1.5
main42305-48051i200710-200812
42305ABOLT (FOR REAR AXLE CARRIER LH)
main90105-17012×2i200705-200812
M17X1.5
main90901-05001×2i200302-200601
42305BNUT (FOR REAR AXLE CARRIER LH)
main90178-15002×2i200601-200705
M15X1.5
main90178-17002×2i200705-200812
M17X1.5
4707
48198HCAM, CAMBER ADJUST, NO.2
main48198-48010×2i200302-200601
48231ASPRING, COIL, REAR RH
main48231-48240i200302-200601
48231BSPRING, COIL, REAR LH
main48231-48240i200302-200601
48258BINSULATOR, REAR COIL SPRING, LOWER RH
main48258-32020i200302-200601
48258CINSULATOR, REAR COIL SPRING, LOWER LH
main48258-32020i200302-200601
48341ABUMPER, REAR SPRING, NO.1 RH
main48341-48020i200302-200307
main48341-48050i200307-200601
48341BBUMPER, REAR SPRING, NO.1 LH
main48341-48020i200302-200307
main48341-48050i200307-200601
48409CAM SUB-ASSY, REAR SUSPENSION TOE ADJUST
main48409-48010×2i200302-200501
main48409-48020×2i200502-200601
48530ABSORBER ASSY, SHOCK, REAR RH
main48530-49335i200302-200601
MARK 48530-48180
main48530-49865i200705-200812
MARK 48530-48181
48540ABSORBER ASSY, SHOCK, REAR LH
main48540-49225i200302-200601
MARK 48540-48180
main48540-49495i200705-200812
MARK 48540-48181
48710AARM ASSY, REAR SUSPENSION, NO.1 RH
main48710-48050i200302-200601
48720AARM ASSY, REAR SUSPENSION, NO.1 LH
main48710-48050i200601-200812
48730FARM ASSY, REAR SUSPENSION, NO.2 RH
main48730-48120i200302-200601
48740FARM ASSY, REAR SUSPENSION, NO.2 LH
main48730-48110i200601-200812
main48740-48120i200302-200601
SUSPENSION-AIR SUSPENSION
48750HSUPPORT ASSY, REAR SUSPENSION, RH
main48750-48040i200302-200601
48750JNUT(FOR REAR SUPPORT TO REAR SHOCK ABSORBER RH)
main90177-14001i200302-200601
48750KCOLLAR(FOR REAR SUPPORT TO REAR SHOCK ABSORBER RH)
main90387-15027i200601-200812
48753BCOVER, REAR SUSPENSION SUPOPORT, NO.1 RH
main48753-33010i200302-200601
48753CCOVER, REAR SUSPENSION SUPOPORT, NO.1 LH
main48753-33010i200302-200601
48760BSUPPORT ASSY REAR SUSPENSION, LH
main48760-48040i200302-200601
48760CNUT(FOR REAR SUPPORT TO REAR SHOCK ABSORBER LH)
main90177-14001i200302-200601
48760DCOLLAR(FOR REAR SUPPORT TO REAR SHOCK ABSORBER LH)
main90387-15027i200302-200601
48780AROD ASSY, STRUT, REAR
main48780-48040×2i200302-200601
48807BRACKET, REAR STABILIZER BAR, RH
main48832-32080i200601-200812
NO.2
main48832-48010i200601-200812
NO.1
48808BRACKET, REAR STABILIZER BAR, LH
main48832-32050i200302-200601
NO.1
main48832-32060i200302-200601
NO.2
48812BAR, STABILIZER, REAR
main48805-48110i200601-200812
48818BUSH, STABILIZER, REAR
main48818-48020×2i200302-200601
48830DLINK ASSY, REAR STABILIZER, RH
main48830-48010i200302-200601
48832ABRACKET, REAR STABILIZER BAR, NO.1
main48832-48020i200302-200601
48840ALINK ASSY, REAR STABILIZER, LH
main48830-48010i200302-200601
7701
9011910942
9011912371
9011912372
9011914079
9017810018
9017910183
9017912091
9017912100
9017914068
9017914069
91611B0816
91651B0822

51 parts on this diagram · 2 diagrams in section

REAR SPRING & SHOCK ABSORBER — Toyota Parts Diagram with OEM Numbers & Prices | EPC Data