E
EPC Data

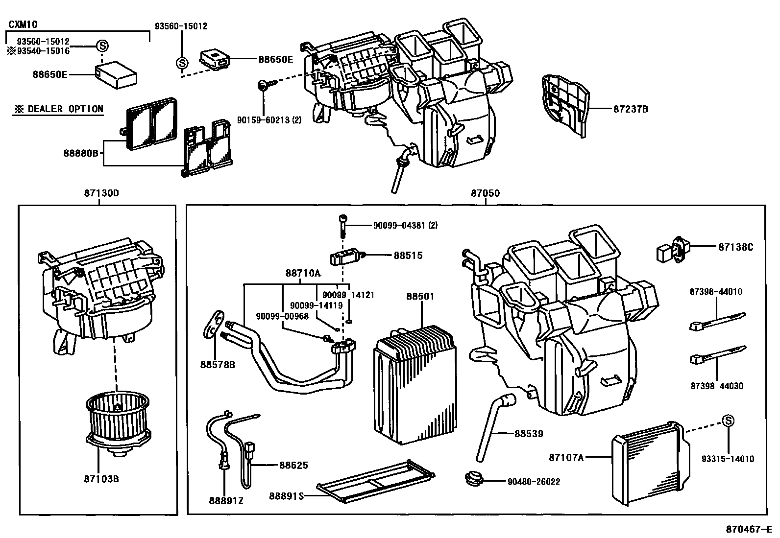
HEATING & AIR CONDITIONING - COOLER UNIT

Parts diagram
87050RADIATOR ASSY, AIR CONDITIONER
main87050-44050i199609-199804
W(MANUAL AIR CONDITIONER)
main87050-44060i199609-199804
W(MANUAL AIR CONDITIONER)
main87050-44070i199609-199804
main87050-44080i200008
main87050-44150i200008
W(MANUAL AIR CONDITIONER)
main87050-44160i199804-200008
W(MANUAL AIR CONDITIONER)
main87050-44220i199804-200008
87103BMOTOR SUB-ASSY, BLOWER W/FAN
main87103-33030i199808-199811
main87103-33031i200008
main87103-33040i199808-199811
main87103-33041i200008
main87103-44010i199609-199808
main87103-44020i199609-199808
87107AUNIT SUB-ASSY, HEATER RADIATOR
main87107-44020i199609-200008
main87107-44030i200008
87130DBLOWER ASSY
main87130-44020i200008
main87130-44030i200008
87138CRESISTOR, BLOWER
main87138-44020i199609-200008
87237BCOVER, HEATER PIPING
main87237-44010-B0i199609-200105
MD.MOON MIST,TRIM1#
main87237-44020-B0i199609-200105
MD.MOON MIST,TRIM1#
88501EVAPORATOR SUB-ASSY, COOLER, NO.1
main88501-20291i199609-200008
88515VALVE, COOLER EXPANSION
main88515-20120i199609-199704
main88515-22240i199704-200008
88539HOSE, COOLER UNIT DRAIN, NO.1
main88539-44020i199609-200008
main88539-44030i199609-200008
88578BPACKING, COOLING UNIT, NO.1
main88578-20590i199609-200008
88625THERMISTOR, COOLER, NO.1
main88625-3A090i199609-200008
88650EAMPLIFIER ASSY, AIR CONDITIONER, NO.1
main88650-2B480i199609-199804
DEALER OPTION
main88650-44040i199609
main88650-44050i199609-199804
MAKER OPTION
main88650-44060i199709-200008
main88650-44070i199709-200008
88710ATUBE ASSY, AIR CONDITIONER
main88710-44070i199609-199804
main88710-44080i199609-199804
main88710-44120i199609-199804
DEALER OPTION
main88710-44280i200008
main88710-44330i199804-200008
88880BFILTER ASSY, CLEAN AIR
main88880-20020i199609-199804
main88880-20030i199609-199804
main88880-44030i199804-200008
main88880-44040i200008
88891SCOVER, COOLER, NO.1
main88891-20160i199609-200008
88891ZBRACKET, COOLER THERMISTOR
main88891-20240i200008
8739844010BAND ASSY (FOR COMBUSTION HEATER)
8739844030BAND ASSY (FOR COMBUSTION HEATER)
9009900968
9009904381
9009914119
9009914121
9015960213
9048026022
9331514010
9354015016
9356015012

27 parts on this diagram · 3 diagrams in section

HEATING & AIR CONDITIONING - COOLER UNIT — Toyota Parts Diagram with OEM Numbers & Prices | EPC Data