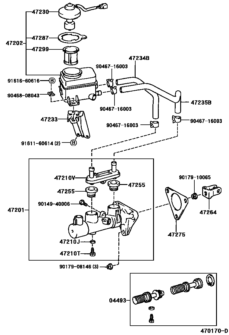
BRAKE MASTER CYLINDER

04493CYLINDER KIT, BRAKE MASTER
W(ABS)
W(ABS)
47201CYLINDER SUB-ASSY, BRAKE MASTER
W(ABS)
W(ABS)
47202RESERVOIR SUB-ASSY, BRAKE MASTER CYLINDER
47210JGASKET(FOR MASTER CYLINDER)
47210TBOLT(FOR BRAKE MASTER CYLINDER)
47210VUNION(FOR BRAKE MASTER CYLINDER)
47230CAP ASSY, BRAKE MASTER CYLINDER RESERVOIR FILLER
47233BRACKET, RESERVOIR
47234BTUBE, RESERVOIR, NO.1
47235BTUBE, BRAKE MASTER CYRINDER RESERVOIR, NO.2
47255GROMMET, MASTER CYLINDER RESERVOIR
47264CLEVIS, MASTER CYLINDER PUSH ROD
47275GASKET, BRAKE MASTER CYLINDER
47287LABEL, BRAKE FLUID INFORMATION
47299STRAINER, BRAKE MASTER CYLINDER RESERVOIR
9014940006
main90149-40006
9017908146
main90179-08146
9017910065
main90179-10065
9046716003
main90467-16003
9046808043
main90468-08043
9161160614
main91611-60614
9161660616
main91616-60616
22 parts on this diagram · 2 diagrams in section