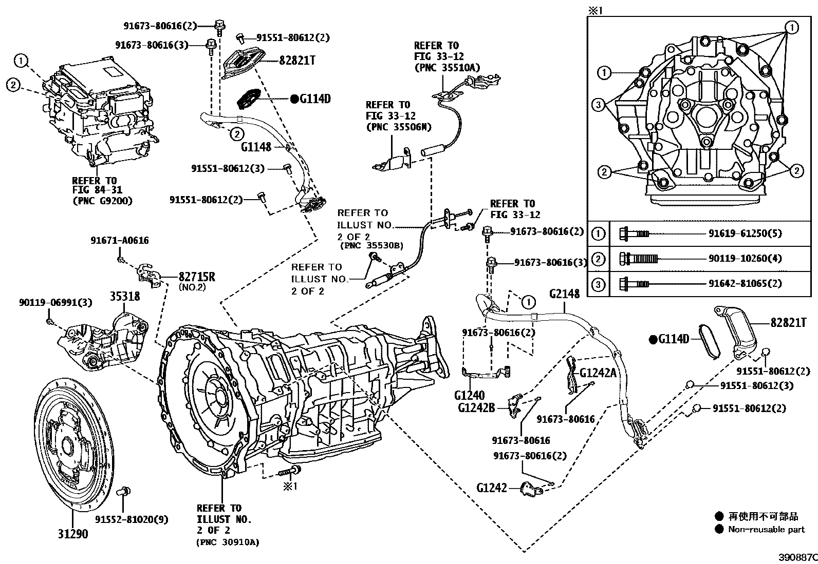
TRANSAXLE ASSY(HEV OR BEV OR FCEV)

31290COVER ASSY, TRANSMISSION INPUT DAMPER
3312
35318INSULATOR, TRANSMISSION OIL PUMP
82715RBRACKET, WIRING HARNESS CLAMP, NO.1
NO.1:REFER ILLUST.
NO.2:REFER ILLUST.
82821TCOVER, CONNECTOR
8431
G1148CABLE, MOTOR
G114DCAP, MOTOR CABLE TERMINAL
G1240BRACKET ASSY, INVERTER MOTOR CABLE
G1242BRACKET, ENGINE MOTOR CABLE CLAMP
G1242ABRACKET, ENGINE MOTOR CABLE CLAMP
G1242BBRACKET, ENGINE MOTOR CABLE CLAMP
G2148CABLE, GENERATOR
9011906991
9011910260
9155180612
9155281020
9161961250
9164281065
91671A0616
9167380616
21 parts on this diagram · 3 diagrams in section