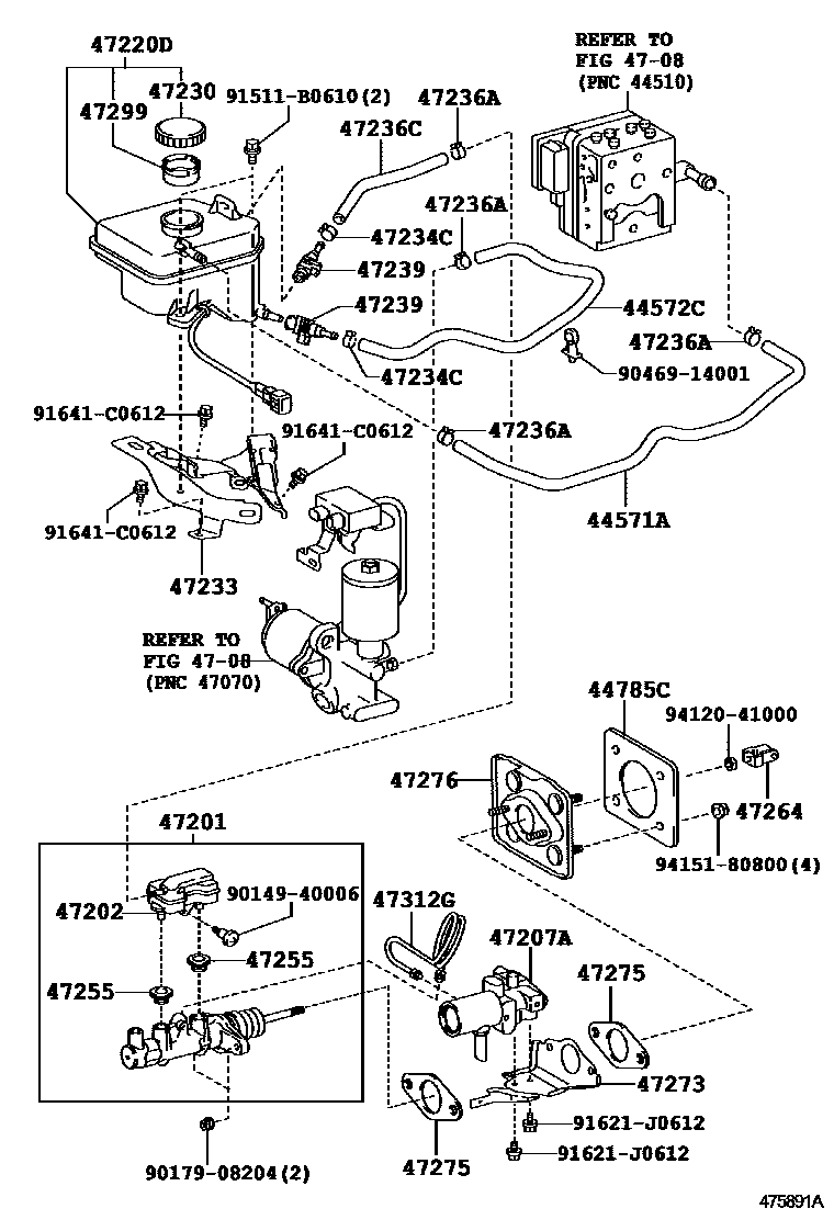
BRAKE MASTER CYLINDER

44571AHOSE, BRAKE ACTUATOR, NO.1
44572CHOSE, BRAKE ACTUATOR, NO.2
44785CGASKET, BRAKE BOOSTER
4708
47201CYLINDER SUB-ASSY, BRAKE MASTER
47202RESERVOIR SUB-ASSY, BRAKE MASTER CYLINDER
47207ACYLINDER SUB-ASSY, BRAKE STROKE SIMULATOR
47230CAP ASSY, BRAKE MASTER CYLINDER RESERVOIR FILLER
sub47230-11010
47233BRACKET, RESERVOIR
47234CCLIP(FOR RESERVOIR TUBE NO.1)
47236ACLIP(FOR RESERVOIR TUBE)
47236CHOSE, RESERVOIR TUBE
47239CONNECTOR, BRAKE MASTER CYLINDER RESERVOIR
47255GROMMET, MASTER CYLINDER RESERVOIR
47264CLEVIS, MASTER CYLINDER PUSH ROD
47273BRACKET, BRAKE STROKE SIMULATOR
47275GASKET, BRAKE MASTER CYLINDER
47276BRACKET, BRAKE MASTER CYLINDER
47299STRAINER, BRAKE MASTER CYLINDER RESERVOIR
47312GTUBE, BRAKE STROKE SIMULATOR
9014940006
main90149-40006
9017908204
main90179-08204
9046914001
main90469-14001
91511B0610
main91511-B0610
91621J0612
main91621-J0612
91641C0612
main91641-C0612
9412041000
main94120-41000
9415180800
main94151-80800
29 parts on this diagram · 2 diagrams in section