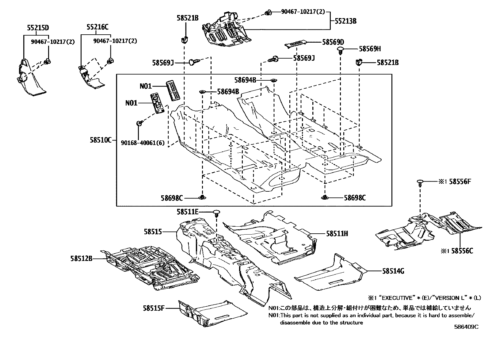
MAT & CARPET

55213BPAD, DASH PANEL INSULATOR, NO.1
55215DPAD, DASH PANEL INSULATOR, NO.3
55216CPAD, DASH PANEL INSULATOR, NO.4
58510CCARPET ASSY, FRONT FLOOR, FRONT
BLACK,TRIM2#
BLACK,TRIM2#
BLACK,TRIM2#
BLACK,TRIM2#
BLACK,TRIM2#
BLACK,TRIM2#
BLACK,TRIM2#
BLACK,TRIM2#
58511ECLIP(FOR FRONT FLOOR MAT)
58515MAT, FLOOR, CENTER
58521BHOOK, FLOOR CARPET
58556CSILENCER, REAR FLOOR
58556FCLIP, REAR FLOOR SILENCER
58569DCOVER, FRONT FLOOR CAUTION PLATE
BLACK,TRIM0#,1#,2#,4#,5#
BLACK,TRIM06,2#,36,52,53
BLACK,TRIM0#,1#,2#,36,38,4#,5#
CRIMSON,TRIM30,37
CRIMSON,TRIM30,33
CRIMSON,TRIM3#
NOBLE BROWN,TRIM04,05,1#,4#,59,9#
58569HCLIP, FRONT FLOOR CAUTION PLATE COVER, NO.1
58569JCLIP, FRONT FLOOR CAUTION PLATE COVER, NO.2
58694BPLATE, MAT SET, UPPER
"EXECUTIVE"*(E)&REAR SEAT ADJUSTER-POWER & OTTOMAN
58698CPLATE, MAT SET, LOWER
"EXECUTIVE"*(E)&REAR SEAT ADJUSTER-POWER & OTTOMAN
9016840061
main90168-40061
9046710217
main90467-10217
20 parts on this diagram · 2 diagrams in section