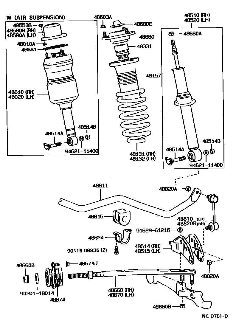
FRONT SPRING & SHOCK ABSORBER

48010ANUT(FOR FRONT PNEUMATIC CYLINDER)
48131SPRING, FRONT COIL, RH
ROUGH ROAD PACKAGE
IRELAND SPEC
SINGAPORE SPEC
ROUGH ROAD PACKAGE
IRELAND SPEC
48132SPRING, FRONT COIL, LH
ROUGH ROAD PACKAGE
IRELAND SPEC
SINGAPORE SPEC
IRELAND SPEC
ROUGH ROAD PACKAGE
48157INSULATOR, FRONT COIL SPRING, UPPER
48514ABOLT(FOR FRONT SHOCK ABSORBER BRACKET LOWER)
48514BNUT(FOR FRONT SHOCK ABSORBER BRACKET LOWER)
48553BNUT(FOR FRONT SHOCK ABSORBER CAP)
48603ANUT(FOR FRONT SUSPENSION SUPPORT)
48660BNUT(FOR STRUT BAR)
LOWER ARM SIDE
CUSHION SIDE
48674CUSHION, STRUT BAR
48674JNUT(FOR STRUT BAR CUSHION)
48680ANUT(FOR FRONT SUPPORT TO FRONT SHOCK ABSORBER)
sub90177-12002
48680EPLUG, HOLE(FOR FRONT SUSPENSION SUPPORT)
48681SUPPORT, FRONT SUSPENSION, NO.1
48810LINK ASSY, FRONT STABILIZER, LH
sub48810-50011
48820ANUT(FOR FRONT STABILIZER LINK)
48820BLINK ASSY, FRONT STABILIZER, RH
sub48820-50011
48824BRACKET, STABILIZER, FRONT
9011908935
main90119-08935
9020118014
main90201-18014
9162961216
main91629-61216
9462111400
main94621-11400
36 parts on this diagram · 1 diagram in section