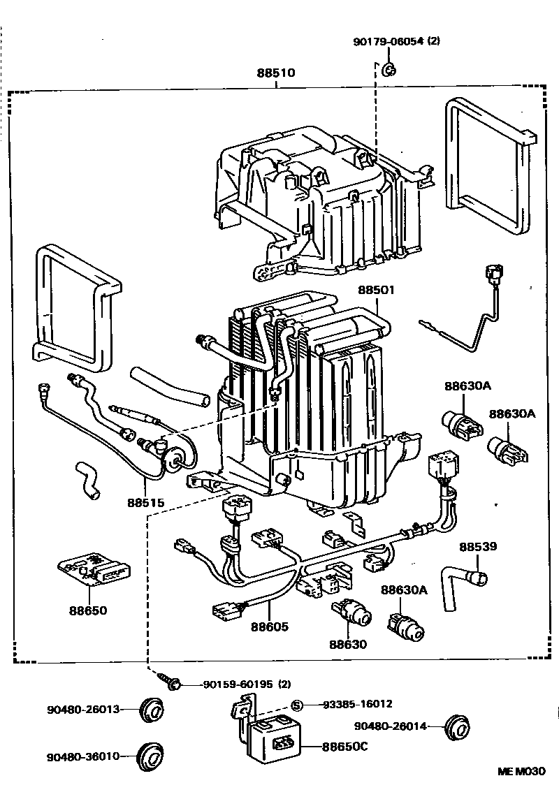
HEATING & AIR CONDITIONING - COOLER UNIT

88501EVAPORATOR SUB-ASSY, COOLER, NO.1
88510UNIT ASSY, COOLER
MAKER OPT
W(BOOST VENTILATOR)
MAKER OPT
W(BOOST VENTILATOR)
DEALER OPT
MAKER OPT
88515VALVE, COOLER EXPANSION
88539HOSE, COOLER UNIT DRAIN, NO.1
88605HARNESS SUB-ASSY, COOLER WIRING, NO.1
W(HEATER)
W(BOOST VENTILATOR)
W(HEATER)
88630RELAY ASSY, COOLER
88630ARELAY ASSY, COOLER
88650AMPLIFIER ASSY, COOLER STABILIZER
88650CAMPLIFIER SUB-ASSY, AIRCONDITIONER
9015960195
9017906054
9048026013
9048026014
9048036010
9338516012
15 parts on this diagram · 3 diagrams in section