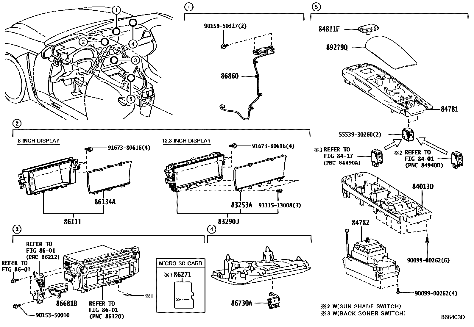
NAVIGATION & FRONT MONITOR DISPLAY

83253AGLASS, ACCESSORY METER
83290JMETER ASSY, ACCESSORY
8401
84013DPANEL SUB-ASSY, INTEGRATION
8417
84782BOARD, REMOTE OPERATION
84811FKNOB, SWITCH
8601
86111MULTI-DISPLAY
PIONEER
PIONEER
86134APARTS, MULTI-DISPLAY
86271DISC, DISC PLAYER
main86271-48340
main86271-48341
main86271-48342
main86271-48343
main86271-48344
main86271-53410
main86271-53411
main86271-53412
86681BDIVIDER, ANTENNA
86730AMICROPHONE ASSY, TELEPHONE
5553930260COVER, SPARE SWITCH HOLE
main55539-30260
9009900262
main90099-00262
9015350010
main90153-50010
9015950327
main90159-50327
9167380616
main91673-80616
9331513008
main93315-13008
22 parts on this diagram · 2 diagrams in section