HEATING & AIR CONDITIONING - HEATER UNIT & BLOWER

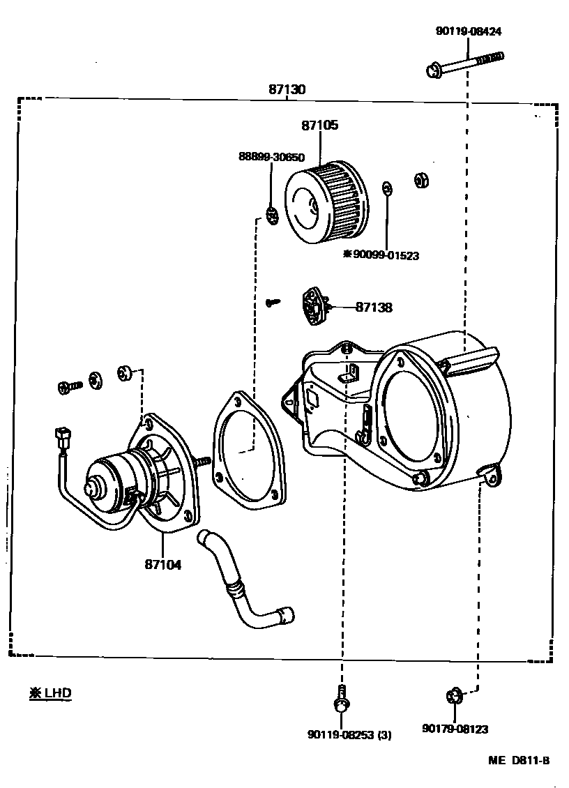
87104MOTOR SUB-ASSY, HEATER BLOWER
87105FAN SUB-ASSY, HEATER BLOWER
87130BLOWER ASSY, HEATER, FRONT
87138RESISTOR, HEATER BLOWER
8889930650COVER, EVAPORATOR
main88899-30650
9009901523
main90099-01523
9011908253
main90119-08253
9011908424
main90119-08424
9017908123
main90179-08123
9 parts on this diagram · 7 diagrams in section