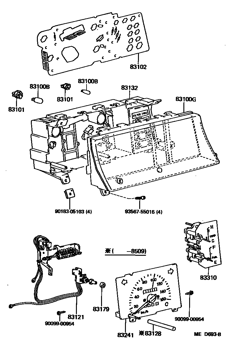
METER

83100BBULB, COMBINATION METER, NO.1
12V3.4W W(GREEN CAP)
12V1.4W W(GREEN CAP)
12V 3.4W LONG LIFE,W/GREEN CAP
12V 2.0W LONG LIFE,W/GREEN CAP
12V 1.2W W/O SOCKET
12V 1.7W
12V 3.4W
83100GGLASS, COMBINATION METER
W/*DS
83101SOCKET SUB-ASSY, COMBINATION METER BULB
12V 3.4W,BLACK
12V 1.4W,BLACK
12V 3.4W,GREEN
12V 3.4W LONG LIFE,BLUE
12V 2.0W LONG LIFE,BLUE
12V 1.4W,GREEN
83102PLATE SUB-ASSY, COMBINATION METER CIRCUIT, NO.1
SINGAPORE SPEC
SAUDI ARABIA SPEC
sub83247-3A150
sub83247-3A590
W/*DS
83121COUNTER, TOTAL
KM
MILE/KM
KM
MILE/KM
W/*DS
83128KNOB, TRIP COUNTER
W/*DS
83132CASE, COMBINATION METER
W/*DS
83179COVER, COMBINATION METER, HOLE
83241METER SUB-ASSY, SPEED
KM
MILE/KM
KM
MILE/KM
KM,SINGAPORE SPEC
KM
MILE/KM
KM,SINGAPORE SPEC
KM
MILE/KM
83310GAGE ASSY, FUEL RECEIVER
9009900954
main90099-00954
9018305103
main90183-05103
9356755016
main93567-55016
13 parts on this diagram · 7 diagrams in section