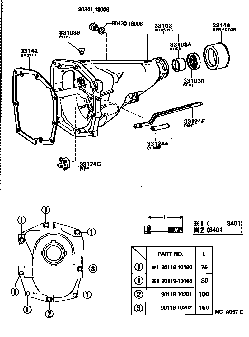
EXTENSION HOUSING (MTM)

33103BPLUG, BREATHER(FOR TRANSMISSION EXTENSION HOUSING)
33103RSEAL, OIL(FOR MANUAL TRANSMISSION EXTENSION HOUSING)
sub90311-38040
33124ACLAMP(FOR TRANSMISSION OIL RECEIVER PIPE)
33124GPIPE, OIL RECEIVER, NO.2(FOR EXTENSION HOUSING)
33142GASKET, EXTENSION HOUSING(MTM)
33146DEFLECTOR, EXTENSION HOUSING DUST(MTM)
sub33146-30020
9011910180
main90119-10180
9011910186
main90119-10186
9011910201
main90119-10201
9011910202
main90119-10202
9034118006
main90341-18006
9043018008
main90430-18008
15 parts on this diagram · 2 diagrams in section