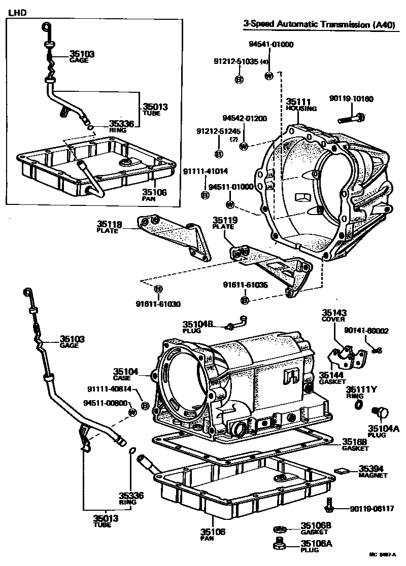
TRANSMISSION CASE & OIL PAN (ATM)

35013TUBE SUB-ASSY, TRANSMISSION OIL FILLER
35104APLUG, AUTOMATIC TRANSMISSION CASE
35106PAN SUB-ASSY, AUTOMATIC TRANSMISSION OIL
sub35106-14021
sub35106-22021
sub35106-30041
sub35106-30051
sub35106-30061
35106BGASKET, DRAIN PLUG (ATM)
35111YRING, O (FOR AUTOMATIC TRANSMISSION CASE)
35118PLATE, STIFENER, RH (ATM)
35119PLATE, STIFENER, LH (ATM)
35143COVER, TRANSMISSION CASE, REAR
35144GASKET, TRANSMISSION CASE REAR COVER
sub35144-28010
35336RING, O (FOR TRANSMISSION OIL FILLER TUBE)
35394MAGNET, OIL CLEANER (FOR TRANSMISSION)
9011906117
main90119-06117
9011910160
main90119-10160
9014160002
main90141-60002
9111140814
main91111-40814
9111141014
main91111-41014
9121251035
main91212-51035
9121251245
main91212-51245
9161161030
main91611-61030
9161161035
main91611-61035
9451100800
main94511-00800
9451101000
main94511-01000
9454101000
main94541-01000
9454201200
main94542-01200
30 parts on this diagram · 3 diagrams in section