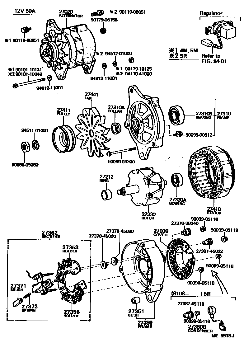
ALTERNATOR

27020ALTERNATOR ASSY
12V 60A
12V 55A,12V 55A,STANDARD REGULATOR
12V 55A,IC REGULAT.(COLD SPEC)
12V 55A,IC REGULAT.(COLD SPEC)
27039COVER, ALTERNATOR REAR END
12V 50A
12V 55A,STANDARD REGULATOR
27212RING, SPACE(FOR ALTERNATOR ROTOR)
12V 50A,60A
12V 55A
27310FRAME ASSY, DRIVE END, ALTERNATOR
12V 50A
12V 50A
12V 60A
12V 55A
12V 55A
12V 55A,IC REGULATOR
12V 60A
27310ACOLLAR OR NUT(FOR ALTERNATOR DRIVE END FRAME)
12V 50A,60A
12V 55A
27310BBEARING(FOR ALTERNATOR DRIVE END FRAME)
12V 50A,60A
12V 55A
12V 50A,60A
12V 50A
27330ROTOR ASSY, ALTERNATOR
12V 60A
12V 55A,STANDARD REGULATOR
12V 55A,IC REGULATOR
27330ABEARING(FOR ALTERNATOR ROTOR)
12V 50A
12V 50A,60A
27350FRAME ASSY, RECTIFIER END
12V 55A,STANDARD REGULATOR
12V 55A,IC REGULATOR
27350BCONDENSER, ALTERNATOR
27351BUSH(FOR ALTERNATOR RECTIFIER END FRAME)
12V 50A,60A
12V 55A
27353HOLDER, W/RECTIFIER POSITIVE, ALTERNATOR
12V 55A,STANDARD REGULATOR
12V 55A,IC REGULATOR
27356HOLDER, W/RECTIFIER NEGATIVE, ALTERNATOR
12V 55A,STANDARD REGULATOR
12V 55A,IC REGULATOR
27359FRAME, ALTERNATOR RECTIFIER END
12V 50A
12V 60A
12V 60A
27362RECTIFIER ASSY, W/BRUSH
12V 50A
12V 60A
12V 50A
12V 60A
12V 60A
12V 60A
27371BRUSH, ALTERNATOR
12V 50A,60A
12V 50A,60A
12V 50A
27372SPRING, ALTERNATOR BRUSH
12V 50A,60A
12V 55A
12V 50A,60A
27410STATOR ASSY, ALTERNATOR
12V 50A
12V 55A,STANDARD REGULATOR
12V 55A,IC REGULATOR
12V 55A,IC REGULATOR
12V 55A,STANDARD REGULATOR
27411PULLEY, ALTERNATOR
12V 50A,60A
12V 50A
12V 55A
27441FAN, ALTERNATOR
12V 50A
12V 60A
12V 55A
12V 55A,IC REGULATOR
8401
2737838040INSULATOR, ALTERNATOR, NO.1
main27378-38040
2737845090INSULATOR, ALTERNATOR, NO.1
main27378-45090
2738745022INSULATOR, TERMINAL
main27387-45022
2738745110INSULATOR, TERMINAL
main27387-45110
9009900912
main90099-00912
9009904300
main90099-04300
9009905060
main90099-05060
9009905118
main90099-05118
9009905119
main90099-05119
9010110049
main90101-10049
9010110131
main90101-10131
9011908051
main90119-08051
9017906158
main90179-06158
9017910125
main90179-10125
9411041000
main94110-41000
9451101400
main94511-01400
9451201000
main94512-01000
9461211001
main94612-11001
39 parts on this diagram · 5 diagrams in section