E
EPC Data

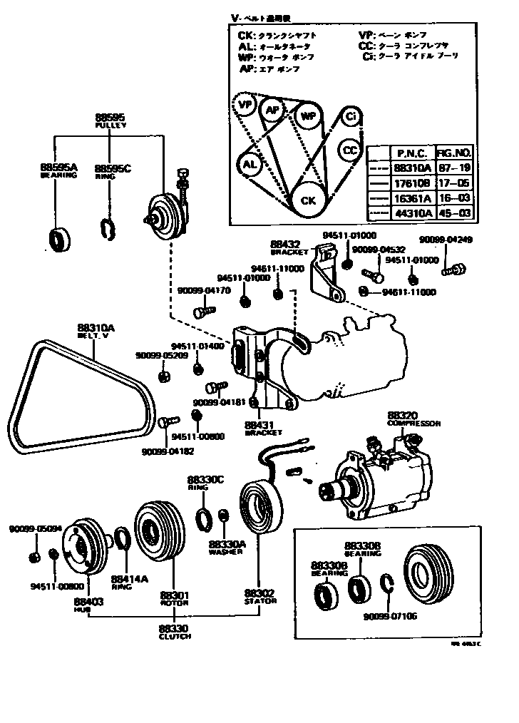
HEATING & AIR CONDITIONING - COMPRESSOR

Parts diagram
1603
16361ABELT, V(FOR FAN & ALTERNATOR)
main90916-02074i197707-197908
DOUBLE V BELTS
main99322-00930i197809-197908
MIDDLE EAST SPEC. L=930
main99322-00940i197809-197908
L=940
main99522-10904i197611-197707
L=904,50A ALTERNATOR
main99522-10925i197511-197611
L=925,55A ALTERNATOR
main99522-10934i197410-197512
L=934
main99522-10942i197512-197809
L=942
1705
17610BBELT, V(FOR AIR PUMP)
main99522-11159i197604-197802
L=1159,L/POWER STEERING
44310ABELT, V(FOR VANE PUMP)
main90916-02078i197709-197908
main99332-01395i197707-197908
L=1395
main99522-11232i197707-197709
main99522-11275i197604-197707
main99522-11390i197604-197707
4503
8719
88301ROTOR SUB-ASSY, MAGNET CLUTCH
main88412-22020i197802-197908
W/HEATER
main88412-26010i197611-197802
W/HEATER
main88412-30250i197410-197611
main88412-30260i197611-197707
W/BOOST VENTILATOR
main88412-30280i197707-197908
W/BOOST VENTILATOR
88302STATOR SUB-ASSY, MAGNET CLUTCH
main88411-30250i197410-197611
main88411-30280i197611-197707
W/BOOST VENTILATOR
main88411-30290i197611-197802
W/HEATER
main88411-30320i197707-197802
W/BOOST VENTILATOR
main88411-30340i197802-197908
W/HEATER
main88411-30350i197802-197908
W/BOOST VENTILATOR
88310ABELT, V (COOLER COMPRESSOR TO CRANKSHAFT PULLEY), NO.1
main99322-00960i197805-197908
L=960
main99322-00980i197805-197908
W/HEATER
main99522-10958i197611-197908
main99522-10964i197611-197707
W/HEATER
main99522-10976i197410-197609
main99522-10980i197707-197908
W/BOOST VENTILATOR
main99522-11002i197609-197611
88320COMPRESSOR ASSY, COOLER
main88320-30230i197410-197611
main88320-30240i197611-197707
W/HEATER
main88320-30260i197802-197908
88330CLUTCH ASSY, MAGNET
main88410-30250i197410-197611
main88410-30280i197611-197802
W/HEATER
main88410-30290i197611-197707
W/BOOST VENTILATOR
main88410-30330i197707-197802
W/BOOST VENTILATOR
main88410-30350i197805-197908
W/HEATER
main88410-30360i197802-197908
W/BOOST VENTILATOR
88330AWASHER (FOR MAGNET CLUTCH)
main90099-01108i197410-197908
T=0.5
main90099-01109i197410-197908
T=0.8
main90099-01110i197410-197908
T=1.0
main90099-01207i197410-197908
T=1.5
main90099-01208i197410-197908
T=2.0
main90099-01209i197410-197908
T=2.5
main90099-01350i197410-197908
T=0.1
main90099-01351i197410-197908
T=0.2
88330BBEARING, MAGNET CLUTCH
main90099-10097×2i197410-197611
main90099-10117×2i197611-197908
88330CRING, SNAP (FOR MAGNET CLUTCH)
main90099-07087i197410-197611
88403HUB SUB-ASSY, MAGNET CLUTCH
main88331-40021i197410-197611
main88403-22030i197802-197908
W/HEATER
main88403-30250i197611-197707
main88403-30260i197707-197802
W/BOOST VENTILATOR
main88403-30270i197802-197908
W/BOOST VENTILATOR
88414ARING, SHIELD SNAP
main90099-07086i197410-197802
main90099-07114i197802-197908
88431BRACKET, COMPRESSOR MOUNTING, NO.1
main88431-30330i197410-197611
main88431-30391i197611-197707
W/HEATER
main88431-30392i197707-197908
88432BRACKET, COMPRESSOR MOUNTING, NO.2
main88432-30332i197410-197611
main88432-30340i197611-197707
W/BOOST VENTILATOR
main88432-30351i197611-197707
W/HEATER
main88432-30380i197611-197707
main88432-30381i197707-197908
main88432-30390i197611-197707
W/HEATER
88595PULLEY, COOLER COMPRESSOR IDLE
main88402-30151i197410-197611
main88402-30152i197611-197707
W/BOOST VENTILATOR
main88440-30250i197805-197908
W/HEATER
main88440-30260i197805-197908
W/HEATER
88595ABEARING (FOR COOLER IDLE PULLEY)
main90099-10089×2i197410-197611
88595CRING, SNAP (FOR COOLER IDLE PULLEY)
main90099-07102i197410-197611
9009904170
9009904181
9009904182
9009904249
9009904532
9009905094
9009905209
9009907106
9451100800
9451101000
9451101400
9461111000

34 parts on this diagram · 7 diagrams in section

HEATING & AIR CONDITIONING - COMPRESSOR — Toyota Parts Diagram with OEM Numbers & Prices | EPC Data