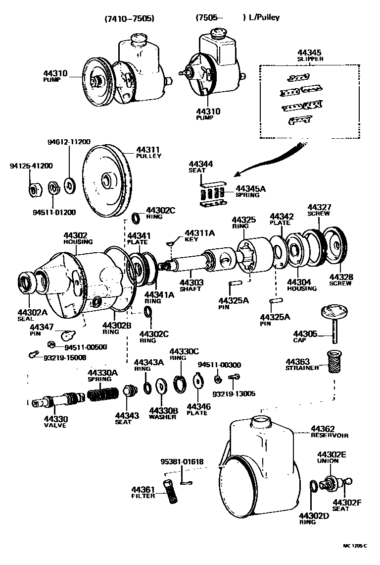
VANE PUMP & RESERVOIR (POWER STEERING)

44302HOUSING SUB-ASSY, VANE PUMP, FRONT
44302ASEAL, OIL, NO.1(FOR VANE PUMP HOUSING)
44302BRING, O, NO.1(FOR VANE PUMP HOUSING)
44302CRING, O, NO.2(FOR VANE PUMP HOUSING)
44302DRING, O, NO.3(FOR VANE PUMP HOUSING)
44302EUNION(FOR PUMP HOUSING)
44302FSEAT, UNION(FOR VANE PUMP HOUSING)
44303SHAFT SUB-ASSY, W/ROTOR
MARK 2
MARK 1
MARK 2
44304HOUSING SUB-ASSY, VANE PUMP, REAR
44311PULLEY, VANE PUMP
44311AKEY, VANE PUMP PULLEY
44325RING, FIXED(FOR VANE PUMP)
MARK 1
MARK 2
MARK 1,MARK 1
MARK 2,MARK 2
44325APIN, STRAIGHT(FOR FIXED RING)
44327SCREW, RETAINING(FOR VANE PUMP)
44328SCREW, LOCK(FOR VANE PUMP)
44330VALVE ASSY, FLOW CONTROL
MARK A
MARK B
MARK C
MARK D
MARK E
MARK F
44330ASPRING, COMPRESSION(FOR FLOW CONTROL VALVE)
44330BWASHER, PLATE(FOR FLOW CONTROL VALVE)
44330CRING, SNAP(FOR FLOW CONTROL VALVE)
44341PLATE, VANE PUMP SIDE, FRONT
44341ARING, O(FOR VANE PUMP FRONT SIDE PLATE)
44342PLATE, VANE PUMP SIDE, REAR
44343SEAT, FLOW CONTROL SPRING
44343ARING, O(FOR FLOW CONTROL SPRING SEAT)
44344SEAT, SPRING(FOR VANE PUMP)
44345SLIPPER, VANE PUMP
NO MARK,L=39.942-39.937
NO MARK,L=39.937-39.932
44345ASPRING, COMPRESSION(FOR VANE PUMP SLIPPER)
44346PLATE, SNAP RING LOCK
44347PIN, LOCK(FOR VANE PUMP)
44361FILTER, OIL(FOR VANE PUMP)
44363STRAINER, OIL(FOR VANE PUMP)
9321913005
9321915008
main93219-15008
9412541200
9451100300
9451100500
9451101200
9461211200
9538101618
42 parts on this diagram · 2 diagrams in section