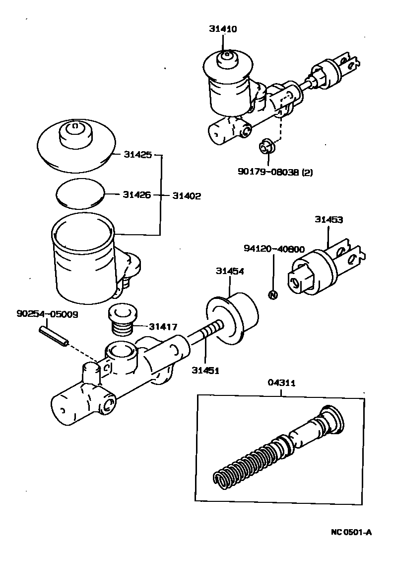
CLUTCH MASTER CYLINDER

31417GROMMET, CLUTCH RESERVOIR
31425CAP, CLUTCH MASTER CYLINDER RESERVOIR FILLER
31426FLOAT, CLUTCH MASTER CYLINDER RESERVOIR
31451ROD, CLUTCH MASTER CYLINDER PUSH
31453CLEVIS, CLUTCH MASTER CYLINDER PUSH ROD
sub31404-22030
sub31404-35030
sub31404-35021
sub31404-35030
31454BOOT, CLUTCH MASTER CYLINDER
9017908038
main90179-08038
9025405009
main90254-05009
9412040800
main94120-40800
12 parts on this diagram · 2 diagrams in section