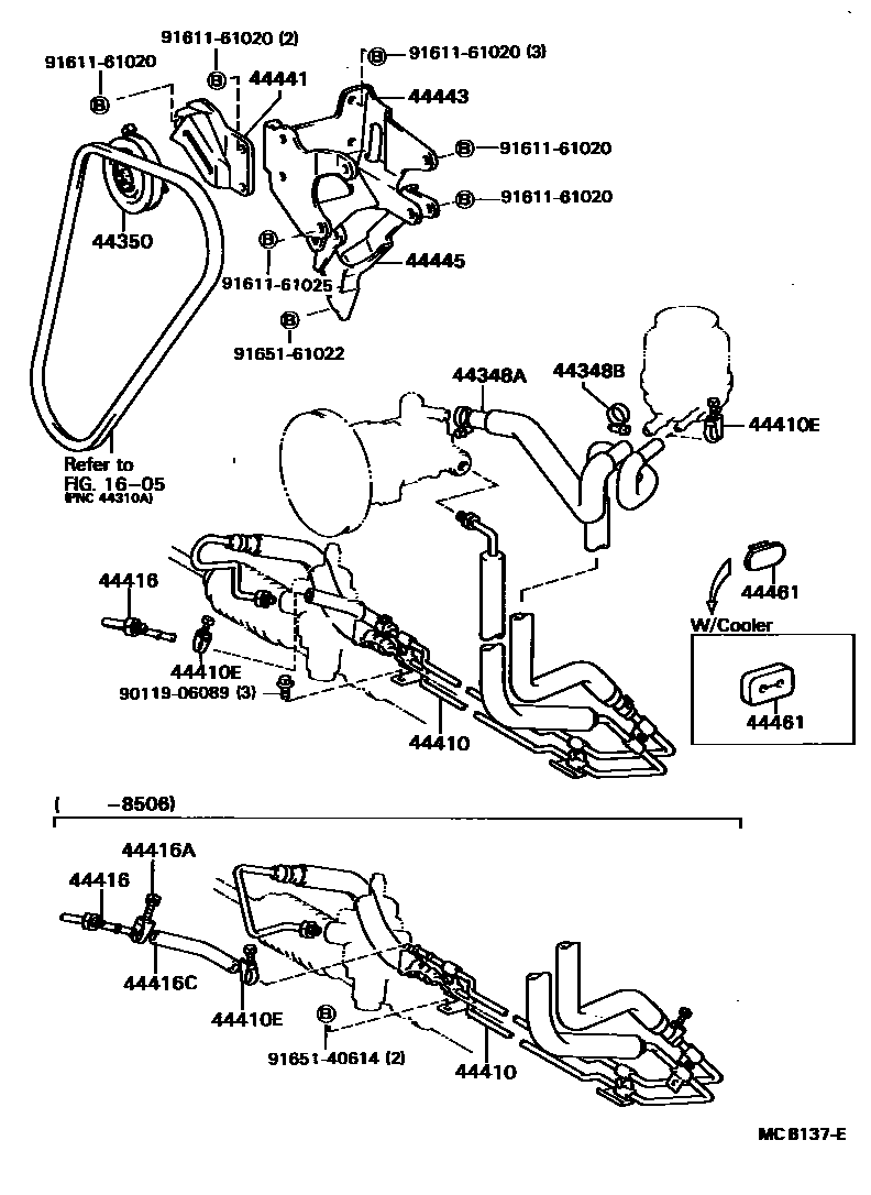
POWER STEERING TUBE

1605
44348BCLAMP(FOR OIL RESERVOIR TO PUMP HOSE)
44410TUBE ASSY, PRESSURE FEED
44410ECLAMP(FOR PRESSURE FEED TUBE)
44416TUBE, RETURN(FOR STEERING GEAR OUTLET)
44416ACLAMP(FOR RETURN HOSE)
44416CHOSE(FOR RETURN TUBE TO RESERVIOR)
44441BRACKET, PUMP, FRONT
44443BRACKET, PUMP
44445BRACKET, PUMP, LOWER
44461INSULATOR, TUBE REFRIGERANT
W/COOLER
9011906089
main90119-06089
9161161020
main91611-61020
9161161025
main91611-61025
9165140614
main91651-40614
9165161022
main91651-61022
18 parts on this diagram · 13 diagrams in section