E
EPC Data
Pricing
API Docs
Sign In
Home
›
EU
›
311250
›
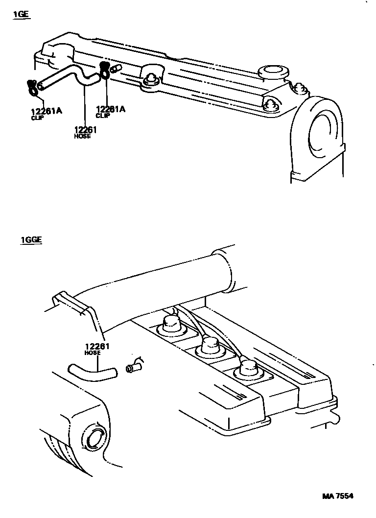
VENTILATION HOSE
VENTILATION HOSE
0001 1
0002 1
0003 1
0004 1
0005 1
0006 1
12261
HOSE, VENTILATION
main
12261-41090
i
5ME..MX7#
198408-198808
main
12261-43010
i
5MGE..MX73
198408-198808
main
12261-54020
i
2L#..LX7#
198408-198808
main
12261-70020
i
1GE..GX71
198408-198808
main
12261-72020
i
2Y..YX70
198502-198808
main
12261-88300
i
1GGE..GX71
198408-198608
12261A
CLIP OR CLAMP(FOR VENTILATION HOSE)
main
90467-14001
i
1GE..GX71
198702-198808
main
90467-14082
i
1GE..GX71
198408-198702
sub
90467-14001
main
90467-15120
i
2L#..LX7#
198408-198808
main
90467-16035
i
5MGE..MX73
198408-198808
main
90467-20002
i
5ME..MX7#
198408-198808
ID=20
2 parts on this diagram · 6 diagrams in section
VENTILATION HOSE — Toyota Parts Diagram with OEM Numbers & Prices | EPC Data