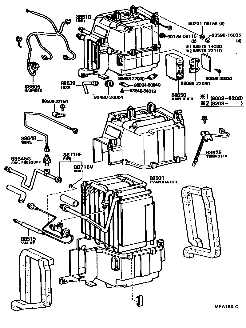
HEATING & AIR CONDITIONING - COOLER UNIT

88510UNIT ASSY, COOLER
W/AUTOMATIC AIR CONDITIONER
W/AUTOMATIC AIR CONDITIONER
W/AUTOMATIC AIR CONDITIONER
W/BOOST VENTILATOR
W/BOOST VENTILATOR
88539HOSE, COOLER UNIT DRAIN, NO.1
88605HARNESS SUB-ASSY, COOLER WIRING, NO.1
W/BOOST VENTILATOR
W/BOOST VENTILATOR
W/BOOST VENTILATOR
88625THERMISTOR, COOLER, NO.1
W/BOOST VENTILATOR
W/BOOST VENTILATOR
88645GSWITCH, PRESSURE
DENSO
88648WIRING, COOLER, NO.1
88650AMPLIFIER ASSY, COOLER STABILIZER
W/BOOST VENTILATOR
W/BOOST VENTILATOR
88716VRING, O(FOR COOLER UNIT)
8856922150CLAMP (FOR COOLER RELAY)
main88569-22150
8857814020PAKING, COOLER AIR DUCT
main88578-14020
8857822110PAKING, COOLER AIR DUCT
main88578-22110
8868822080BRACKET, COOLER DIAPHRAGM
main88688-22080
8868822090BRACKET, COOLER DIAPHRAGM
main88688-22090
8889460040
main88894-60040
9009900930
main90099-00930
9017906115
main90179-06115
9020106155
main90201-06155
9048026004
main90480-26004
9354054012
main93540-54012
9359016035
main93590-16035
23 parts on this diagram · 2 diagrams in section